1/2" CPVC Tuff Guard Gauge Isolator with Viton Diaphragm & 4.5" Ashcroft Duragauge
1/2" CPVC Tuff Guard Gauge Isolator with Viton Diaphragm & 4.5" Ashcroft Duragauge
SKU:GAU-c46da4
Enhance pressure accuracy with the durable 1/2" CPVC Tuff Guard Gauge Isolator & 4.5" Ashcroft Duragauge. Ideal for institutional use.
Regular price
$661.95
Regular price
Sale price
$661.95
Unit price
per
Delivery via Maden
Expect your order to arrive on time.
Secure Payments
All orders are processed through a secure, PCI-compliant checkout.


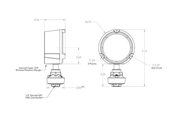
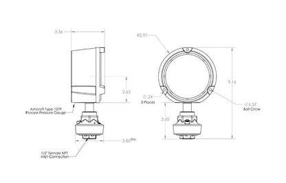
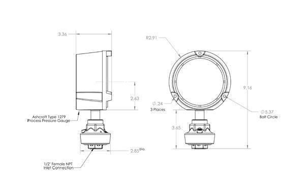
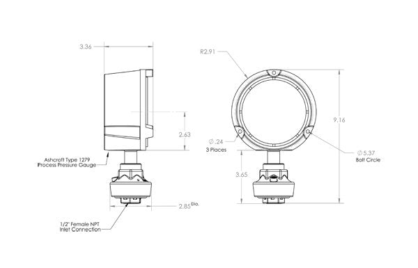
Enhance your pressure measurement accuracy with the 1/2" CPVC Tuff Guard Gauge Isolator featuring a convoluted Viton diaphragm for precise pressure transmission. This durable isolator is reinforced for reliability and features a stainless steel reinforced instrument connection. The 4.5" Ashcroft Duragauge with patented Duratube delivers superior longevity and burn-resistant phenol turret case for added safety. Easily adjustable micrometer pointer and PTFE coated stainless steel movement ensure exceptional performance. Ideal for institutional and government settings.
Product Specifications
Specifications Inlet Connection
1/2" Female NPT
Specifications List Price
661.95 USD
Specifications Materials
CPVC, Viton Diaphragm
Specifications Pressure Range
0-300 PSI
Specifications Shipping Note
We will let you know the shipping charges once we receive the order.