1/2" Female NPT PVC Tuff Guard with Viton Diaphragm & 0-30 PSI Ashcroft Duragauge Vacuum Assembly
1/2" Female NPT PVC Tuff Guard with Viton Diaphragm & 0-30 PSI Ashcroft Duragauge Vacuum Assembly
SKU:GAU-59440b
Ensure accurate pressure readings with this durable 1/2" Female NPT PVC Tuff Guard & Viton Diaphragm Assembly with a 0-30 PSI Ashcroft Duragauge Process Gauge.
Regular price
$578.50
Regular price
Sale price
$578.50
Unit price
per
Delivery via Maden
Expect your order to arrive on time.
Secure Payments
All orders are processed through a secure, PCI-compliant checkout.


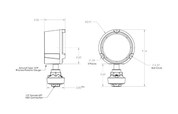
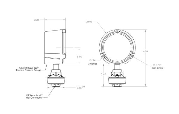
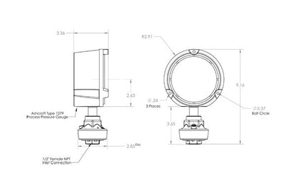
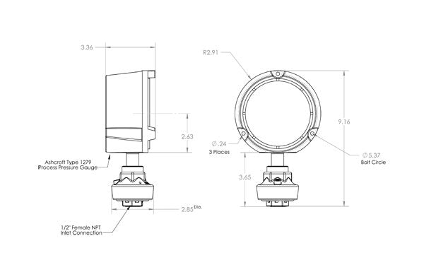
The 1/2" Female NPT PVC Tuff Guard with Viton Diaphragm offers unparalleled durability and accuracy for pressure transmission. With a stainless steel reinforced connection and a convoluted diaphragm design, it ensures precise pressure readings. The reinforced process connection with compressive spoke ribs enhances stress transfer efficiency. This assembly includes a 4.5" Ashcroft Duragauge Process Gauge calibrated from 0-30 PSI, glycerin filled, and easily serviceable for long-lasting performance. Ideal for industrial applications requiring reliable pressure monitoring with a 3-year warranty.
Product Specifications
Specifications Inlet Connection
1/2" Female NPT
Specifications List Price
578.5 USD
Specifications Materials
PVC, Viton Diaphragm
Specifications Pressure Range
0-30 PSI
Specifications Shipping Note
We will let you know the shipping charges once we receive the order.