20-Series 23 Ratchet Wrench - 14mm Square Gear
20-Series 23 Ratchet Wrench - 14mm Square Gear
SKU:SER-13cd10
Heavy-duty 20-Series Ratchet Wrench with 14mm Square Gear Opening, US Federal Spec GGG-W-653
Regular price
$89.99
Regular price
Sale price
$89.99
Unit price
per
Delivery via Maden
Expect your order to arrive on time.
Secure Payments
All orders are processed through a secure, PCI-compliant checkout.



The 20-Series Model 23 Ratchet Wrench with a 14mm Square Gear Opening is a heavy-duty tool designed for efficient fastening in demanding applications. Constructed from cast malleable iron, this wrench features a reversing control at the end of the handle for ease of use. With a durable bolt-through design and enclosed, replaceable gears, it ensures longevity and reliability. Meeting US Federal Specification GGG-W-653, Type I, Class 2 standards, this wrench guarantees quality and performance for industrial and institutional use.
Product Specifications
Specifications Dimension B
13 9/16 in | 345 mm
Specifications Dimension C
2 3/8 in | 60 mm
Specifications Dimension D
1 1/8 in | 28 mm
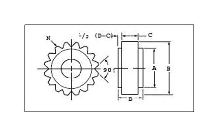
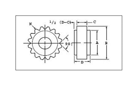
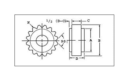
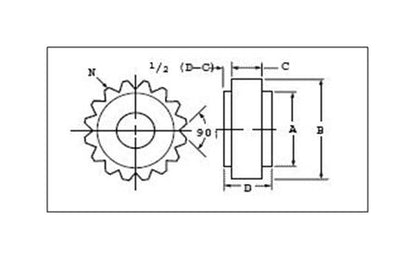
Specifications Gear Dimension A
1.420 in | 36.1 mm
Specifications Gear Dimension B
1.740 in | 44.2 mm
Specifications Gear Dimension C
.660 in | 16.8 mm
Specifications Gear Dimension D
1.133 in | 28.8 mm
Specifications Gear Opening Shape
Square
Specifications Gear Opening Size
14 mm
Specifications Gear Part Number
M2214
Specifications Handle Nominal Length A
12 3/8 in | 314 mm
Specifications Handle Part Number
23901
Specifications Material
Cast Malleable Iron
Specifications Model
23
Specifications Number Of Teeth
16
Specifications Series
20
Specifications Standards
US Federal Specification GGG-W-653, Type I, Class 2
Specifications Weight
3 1/2 lb | 1.59 kg