2002 Ambient Air Monitor - SO2 Analysis
2002 Ambient Air Monitor - SO2 Analysis
SKU:SSP-dcbbdd
Advanced 2002 SO2 Ambient Air Monitor - Accurate, Reliable Monitoring for Cleaner Air
Regular price
$1,695.00
Regular price
Sale price
$1,695.00
Unit price
per
Delivery via Maden
Expect your order to arrive on time.
Secure Payments
All orders are processed through a secure, PCI-compliant checkout.


The 2002 Ambient Air Monitor for Sulfur Dioxide (SO2) is a state-of-the-art device designed for precise and reliable air quality monitoring. Featuring electrochemical sensor technology with a measuring range of 0-999 ppm in 1 ppm increments, this monitor ensures accurate detection. The NEMA 12-rated enclosure, 11mm LCD display, and dual alarm relays provide enhanced safety and usability. With power supply options of 12 VDC or 120/240 VAC, this monitor is versatile and adaptable to various settings. Weighing only 2.2 lbs, it combines portability with high performance for efficient air quality management.
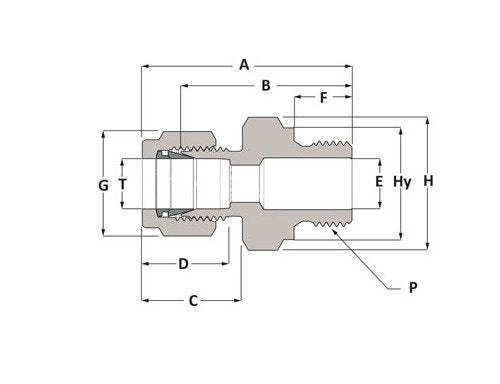
Product Specifications
Dimensions A
59.7 mm
Dimensions B Body
47.8 mm
Dimensions C
26.5 mm
Dimensions D
31.3 mm
Dimensions E
19.8 mm
Dimensions F
18.3 mm
Dimensions G
38 mm
Dimensions H
41 mm
Dimensions Hy
39 mm
Dimensions P
1 in
Dimensions T
25 mm
Specifications Body Material
Alloy 400
Specifications Brand Series
Duolok
Specifications Connection 1 Size
25 mm
Specifications Connection 1 Type
Tube Fitting
Specifications Connection 2 Size
1 in
Specifications Connection 2 Type
Male BSPP
Specifications End Connections
TF x Male BSPP
Specifications Handle Color
0
Specifications Handle Type
0
Specifications Production Category
4
Specifications Shape
Straight
Category 6
Duolok® Tube Fittings