3in ID Bolt Clearance & 4-1/4in OD Wide Rim Machinery Bushing
3in ID Bolt Clearance & 4-1/4in OD Wide Rim Machinery Bushing
SKU:SSP-ecef8c
High-quality 3in ID Bolt Clearance & 4-1/4in OD Wide Rim Machinery Bushing for precise applications.
Regular price
$23.99
Regular price
Sale price
$23.99
Unit price
per
Delivery via Maden
Expect your order to arrive on time.
Secure Payments
All orders are processed through a secure, PCI-compliant checkout.


Experience precision and durability with our 3in ID Bolt Clearance and 4-1/4in OD Wide Rim Machinery Bushing. Perfect for applications requiring shims, spacers, or wear plates, our bushings offer reliable performance. Made with high-quality metal and available finishes like zinc clear or black, these bushings meet stringent quality standards in metal stamping. Stocked in common sizes and compatible with various equipment, they are ideal for industrial and institutional use.
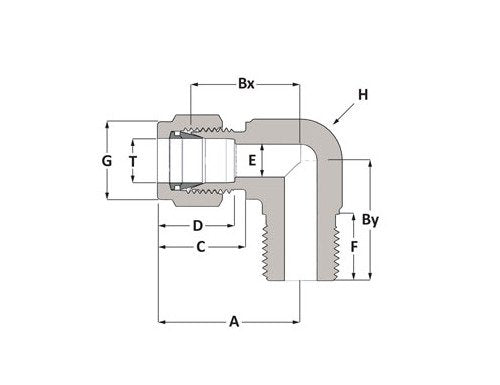
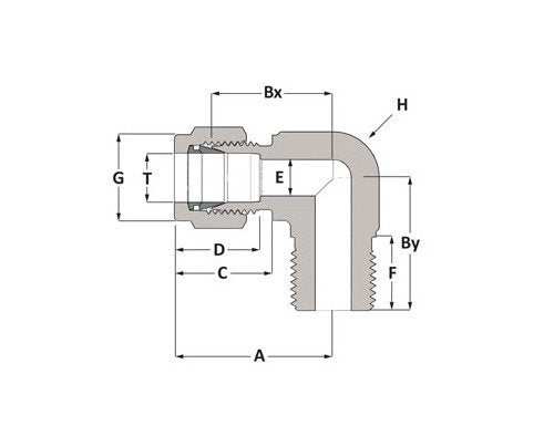
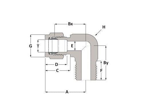
Product Specifications
Dimensions A
1.20 in
Dimensions Bx
0.91 in
Dimensions By
0.82 in
Dimensions C
0.76 in
Dimensions D
0.66 in
Dimensions E
0.19 in
Dimensions F
0.38 in
Dimensions G
11/16 in
Dimensions H
5/8 in
Dimensions P
1/8 in
Dimensions T
3/8 in
Specifications Body Material
Alloy C-276
Specifications Brand Series
Duolok
Specifications Connection 1 Size
3/8 in
Specifications Connection 1 Type
Tube Fitting
Specifications Connection 2 Size
1/8 in
Specifications Connection 2 Type
Male BSPT
Specifications End Connections
TF x Male BSPT
Specifications Handle Color
0
Specifications Handle Type
0
Specifications Production Category
4
Specifications Shape
Elbow
Category 6
Duolok® Tube Fittings