Advanced PowerStack 300A/1200V IGBT Inverter
Advanced PowerStack 300A/1200V IGBT Inverter
SKU:INT-5cce90
Versatile Advanced PowerStack IGBT inverter with high-frequency operation and multiple safety features for reliable performance.
Regular price
$2,499.99
Regular price
Sale price
$2,499.99
Unit price
per
Delivery via Maden
Expect your order to arrive on time.
Secure Payments
All orders are processed through a secure, PCI-compliant checkout.


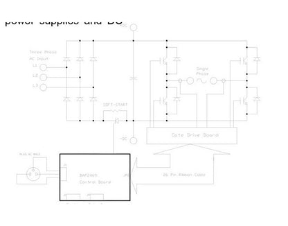
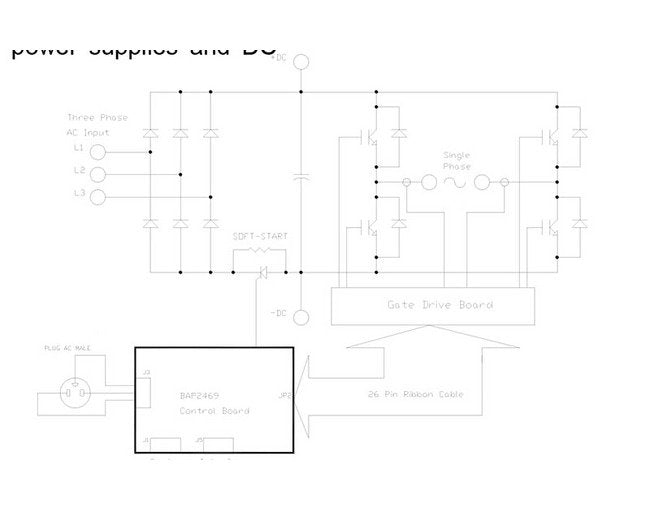
The Advanced PowerStack 300 Ampere/1200 Volt IGBT Inverter is a versatile power assembly designed for applications like motor controls, UPS, and welders. With a flexible full-bridge or three-phase bridge inverter configuration, high-frequency operation up to 20 kHz, and multiple safety features, it ensures reliable performance. This compact solution offers efficient heat dissipation, optically isolated gate drive interfaces, and DC-link capacitor banks for seamless operation.
Product Specifications
Additional Information Additional Information
The IAPL300B120 PowerStack provides built in protection features including: over voltage, under voltage lockout, over current, over temperature, short circuit and optional airflow or liquid flow indicators.Flexibility is a key feature of the IAPL300B120 PowerStack. Options include: a choice of converter front ends, rectifier, half or full SCR control, with or without SCR gate firing boards and soft-start circuitry. A choice of cooling methods, forced air or liquid is also available. Customer provided PWM is optically coupled or a fiber optic link can be provided to the IGBT interface. Current feedback is provided by Hall effect transducers.The IAPL300B120 PowerStack is rated to maximum input voltages up to 800 VDC, switching frequencies to over 20kHz, includes many safety features to protect the IGBTs and output circuitry and can be configured to meet your application.
Compact Size Depth
15.00 in
Compact Size Height
9.00 in
Compact Size Width
12.00 in
Features Features
Multi-Function Power AssemblyDC Bus Voltages to 850 VDCSnubber-less operation to 650 VDCSwitching frequencies to over 20kHzProtective circuitry with fail-safe opto-isolated faultannunciation, including:OverCurrentOverVoltageOverTemperatureShort circuitP.S. UnderVoltageOpto-isolated or fiber-optic gate drive and fault signal output for electrical isolation and noise immunityIntegrated cooling with temperature sensors and feedbackMany options
Gate Drive Board Electrical Characteristics Maximum Overtemperat
94 ºC
Gate Drive Board Electrical Characteristics Maximum Pulse Width
2 V
Gate Drive Board Electrical Characteristics Maximum Regulated Po
18 V
Gate Drive Board Electrical Characteristics Maximum Unregulated
30 V
Gate Drive Board Electrical Characteristics Minimum Overtemperat
90 ºC
Gate Drive Board Electrical Characteristics Minimum Pulse Width
12 V
Gate Drive Board Electrical Characteristics Minimum Regulated Po
14.4 V
Gate Drive Board Electrical Characteristics Minimum Unregulated
20 V
Gate Drive Board Electrical Characteristics Output Overc
450 A
Gate Drive Board Electrical Characteristics Overtemperat
92 ºC
Gate Drive Board Electrical Characteristics Overvoltage
900 V
Gate Drive Board Electrical Characteristics Pulse Width
0 V
Gate Drive Board Electrical Characteristics Regulated Po
15 V
Gate Drive Board Electrical Characteristics Unregulated
24 V
Gate Drive Board Fault Output Current
50 mA
Gate Drive Board Fault Output Supply Voltage
30 V
Gate Drive Board Pulse Width Modulation Pwm Signal Input Voltage
20 V
General Alternating Current Ac Isolation Voltage At 1 Minute And
2500 V
General Insulated Gate Bipolar Transistor Igbt Junction Temperat
- 40 to +150 ºC
General Note For Absolute Maximum Ratings
TJ = 25 ºC unless otherwise Specified
General Storage Temperature Tstg
- 40 to +125 ºC
General Voltage Applied To Direct Current Dc Terminals Vcc
900 V
Insulated Gate Bipolar Transistor Igbt Inverter Collector Curren
300 A
Insulated Gate Bipolar Transistor Igbt Inverter Electrical Chara
300 ns | 80 ns
Technical Specs Brands
Applied Power Systems, Inc.