Bend Sheaves with Mounting Frame - 15000 lbs. Capacity
Bend Sheaves with Mounting Frame - 15000 lbs. Capacity
SKU:RIG-027ff3
Enhance your winching capabilities with the Bend Sheaves - 15000 lbs. capacity. Designed for durability and efficiency. Compliance with institutional standards.
Regular price
$299.99
Regular price
Sale price
$299.99
Unit price
per
Delivery via Maden
Expect your order to arrive on time.
Secure Payments
All orders are processed through a secure, PCI-compliant checkout.
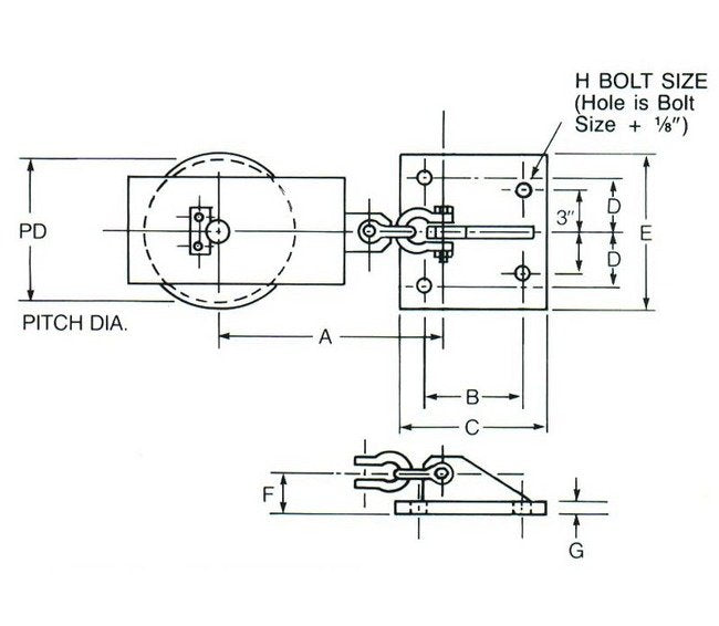
The Bend Sheaves with Mounting Frame, Model BS, offers a robust 15000 lbs. capacity and is designed for heavy-duty lifting and pulling tasks. With a durable construction and a wire rope diameter of 3/4 inches, this accessory ensures reliability and efficiency. The inclusion of electrical brake compatibility and various mounting options such as Horizontal Base, Inverted Ceiling, and Vertical make it versatile for different applications. The lever drum mounted at the winch and magnetic remote pushbutton controls provide ease of operation and enhanced safety, meeting the stringent requirements of institutional procurement standards.

Product Specifications
Specifications Capacity
15000 lbs.
Specifications Controls
Lever Drum Mounted at Winch | Magnetic Remote Pushbutton
Specifications Dimension A
28 inches
Specifications Dimension B
12 inches
Specifications Dimension C
16 inches
Specifications Dimension D
6 inches
Specifications Dimension E
16 inches
Specifications Dimension F
4 1/2 inches
Specifications Dimension G
1 1/8 inches
Specifications Dimension H
1 1/2 inches
Specifications Model
BS
Specifications Mounting
Horizontal Base | Inverted Ceiling | Vertical
Specifications Pitch Diameter
15 inches
Specifications Winch Will Be Used For
Electrical Brake Required | Lifting | Pulling
Specifications Wire Rope Diameter
3/4 inches