BR Style Spring Check Valve - 1/2x3/8" Nominal Pipe Size, 0.500 psi Cracking Pressure
BR Style Spring Check Valve - 1/2x3/8" Nominal Pipe Size, 0.500 psi Cracking Pressure
SKU:BUA-20b5e1
High-quality BR Style Spring Check Valve with 0.500 psi Cracking Pressure for efficient flow control.
Regular price
$89.99
Regular price
Sale price
$89.99
Unit price
per
Delivery via Maden
Expect your order to arrive on time.
Secure Payments
All orders are processed through a secure, PCI-compliant checkout.


The BR Style Spring Check Valve is a robust and versatile valve designed for a variety of service applications. Made of high-quality 316 Stainless Steel, it offers durability and corrosion resistance. With a low-pressure drop and minimal restriction, this valve is ideal for systems prioritizing flow efficiency. It can also function as a low-pressure relief valve or vacuum breaker, providing adaptability for different operational needs. Meeting European Conformity (CE) PED and ISO 9001 standards, this valve ensures reliability and compliance with industry regulations.
Product Specifications
Additional Information
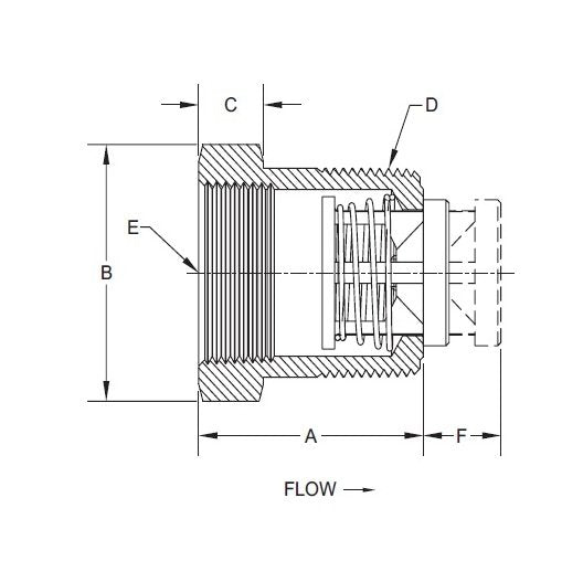
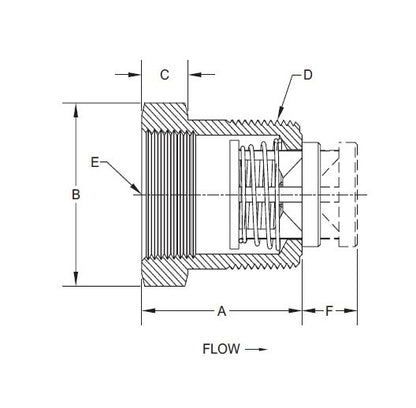
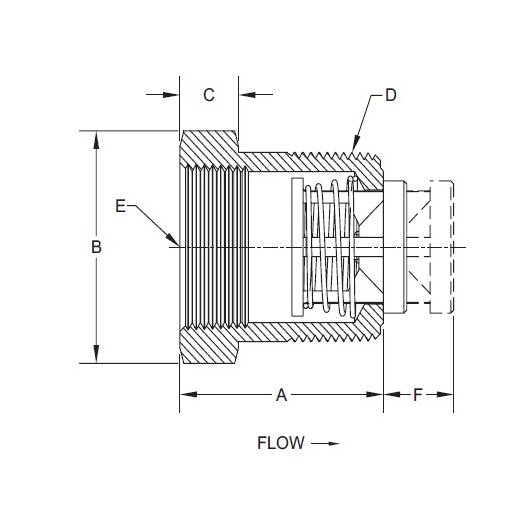
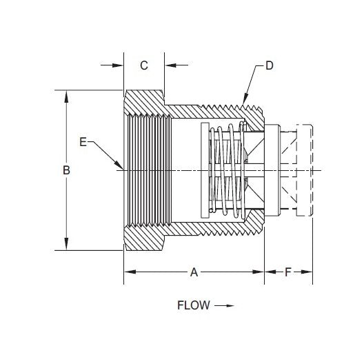
The bushing thread sizes are designated by two sets of numbers; the first being the male thread, the second the female thread. NPT threads are per ASME B1.20.1. Also available with ISO 7 "R" (R male x Rp female) threads (BR).The Bushing Check Valve (BU, BR) is a spring loaded check valve with a standard pipe bushing housing. The valve is adaptable to many types of service applications. It has very little restriction and produces a low-pressure drop. It can be used quite effectively in systems where flow and pressure drop are critical by the use of a reducer coupling. This spring check valve also makes an excellent vacuum breaker. The high flow rate insures maximum effectiveness for vacuum breaker service. By reversing the direction of flow it can also be used as a low-pressure relief valve.
Note
Made in USA.
Specifications Body Material
316 Stainless Steel = SS | Alloy 20 = A2 | Alloy B = HB | Alloy C-276 = HC | Brass = BR | Carbon Steel = CS | Monel® 400 or Alloy R405 = MO | Titanium = TI
Specifications Body Material Availability
316 Stainless Steel (SS) - Standard | Alloy 20 (A2) - Semi-Standard | Alloy B (HB) - Contact the factory for these or other materials | Alloy C-276 (HC) - Semi-Standard | Brass (BR) - Standard | Carbon Steel (CS) - Standard | Monel® 400 or Alloy R405 - Semi-Standard
Specifications Certifications
European Conformity (CE) PED 2014/68/EU Complaint | International Organization for Standardization (ISO 9001) Certified
Specifications Nominal Pipe Size
1/2 x 3/8 in
Specifications Non Shock Pressure Rating At 100 Degree Fahrenhei
3000 psig
Specifications Note For Material
Listed above are the most common material selections. Please contact the factory for additional options.
Specifications Note For Standard Cracking Pressure
0.500 psi is the only standard cracking pressure for spring materials other than Stainless Steel.
Specifications Seat Material
"Metal-to-Metal" = MT | Aflas® = AS | Buna-N = BN | Ethylene Propylene Diene Monomer (EPDM) = EP (EP seats not recommended for use with Carbon Steel valves.) | Fluoro-Elastomer (FKM) = VT | Neoprene = NE | Perfluoroelastomer = KZ | Polytetrafluoroethylene (PTFE) = TF
Specifications Size Code
D
Specifications Special Options
T = FEP Encapsulated Spring (Contact the factory for more options)
Specifications Spring Material
17-7PH Stainless Steel = PH | 316 Stainless Steel = SS | Alloy 400 or Monel® = MO | Alloy C-276 = HC | Inconel® X750 or Alloy X750 = IX | Titanium = TI
Specifications Standard Cracking Pressure
0.500 psi
Specifications Valve Style
International Organization for Standardization (ISO) 7 R and Rp Threads = BR