Breathing Air Filtration Element Model BA020A/-S1
Breathing Air Filtration Element Model BA020A/-S1
SKU:SSP-8134a0
Ensure pure breathing air with the Breathing Air Filtration Element - MST Purification Technology for safety & performance.
Regular price
$70.00
Regular price
Sale price
$70.00
Unit price
per
Delivery via Maden
Expect your order to arrive on time.
Secure Payments
All orders are processed through a secure, PCI-compliant checkout.


The Breathing Air Filtration Element Model BA020A/-S1 is a crucial component in the Breathing Air BA Series designed for clean air treatment. This 1st/2nd stage element ensures efficient filtration to deliver purified breathing air, meeting stringent quality standards for both consumer and institutional buyers. With superior MST purification technology, this replacement filter kit guarantees optimal air quality, enhancing safety and performance.
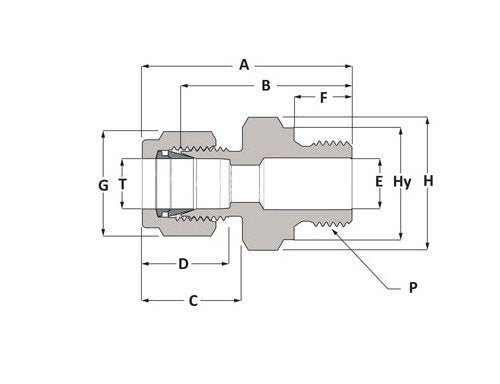
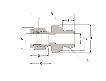
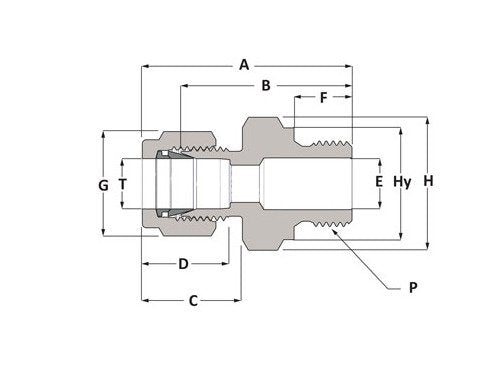
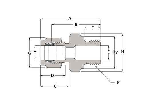
Product Specifications
Dimensions A
2.20 in
Dimensions B Body
1.72 in
Dimensions C
1.04 in
Dimensions D
1.23 in
Dimensions E
0.47 in
Dimensions F
0.56 in
Dimensions G
1 1/2 in
Dimensions H
1 3/8 in
Dimensions Hy
1.02 in
Dimensions P
1/2 in
Dimensions T
1 in
Specifications Body Material
Alloy 400
Specifications Brand Series
Duolok
Specifications Connection 1 Size
1 in
Specifications Connection 1 Type
Tube Fitting
Specifications Connection 2 Size
1/2 in
Specifications Connection 2 Type
Male BSPP
Specifications End Connections
TF x Male BSPP
Specifications Handle Color
0
Specifications Handle Type
0
Specifications Production Category
4
Specifications Shape
Straight
Category 6
Duolok® Tube Fittings