Class 3000 Socket-Weld 90-Degree Elbows, NPS 3 (DN 75)
Class 3000 Socket-Weld 90-Degree Elbows, NPS 3 (DN 75)
SKU:FIT-b47b20
Durable Class 3000 Socket-Weld 90-Degree Elbows for high-pressure piping, precise fittings built to last.
Regular price
$299.99
Regular price
Sale price
$299.99
Unit price
per
Delivery via Maden
Expect your order to arrive on time.
Secure Payments
All orders are processed through a secure, PCI-compliant checkout.


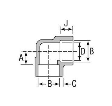
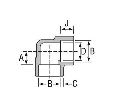
Our Class 3000 Socket-Weld 90-Degree Elbows, with a Socket Diameter of 90 mm and Bore Diameter of 76 mm | 79 mm, are forged steel fittings designed for durability and precision. With a Minimum Socket Depth of 16 mm and Dimension of 57 mm, these elbows ensure secure connections in high-pressure piping systems. Weighing 494 kg per 100 pieces, these elbows offer strength and reliability, meeting stringent industry standards for optimal performance.
Product Specifications
Specifications Bore Diameter D
76 mm | 79 mm
Specifications Dimension A Nominal
57 mm
Specifications Dimension C Min
8 mm
Specifications Dn
75
Specifications Minimum Socket Depth J
16 mm
Specifications Nps
3
Specifications Socket Diameter B
90 mm
Specifications Weight100 Pieces
494 kg