Corrosion-Resistant Cable Bushing AN111
Corrosion-Resistant Cable Bushing AN111
SKU:MIL-d63ba4
Durable corrosion-resistant cable bushing for military use, with precise specifications and separate pin ordering options.
Delivery via Maden
Expect your order to arrive on time.
Secure Payments
All orders are processed through a secure, PCI-compliant checkout.


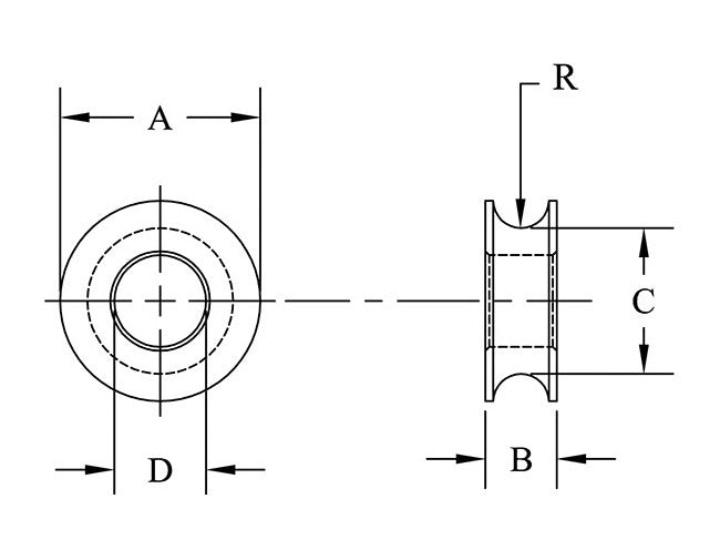
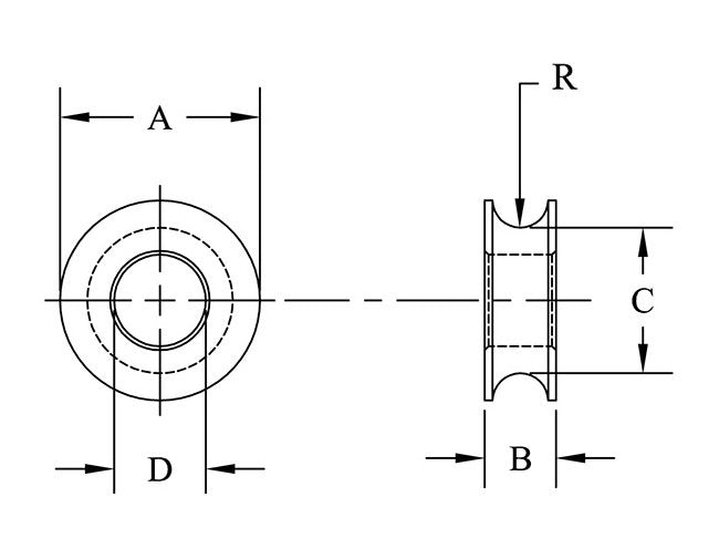
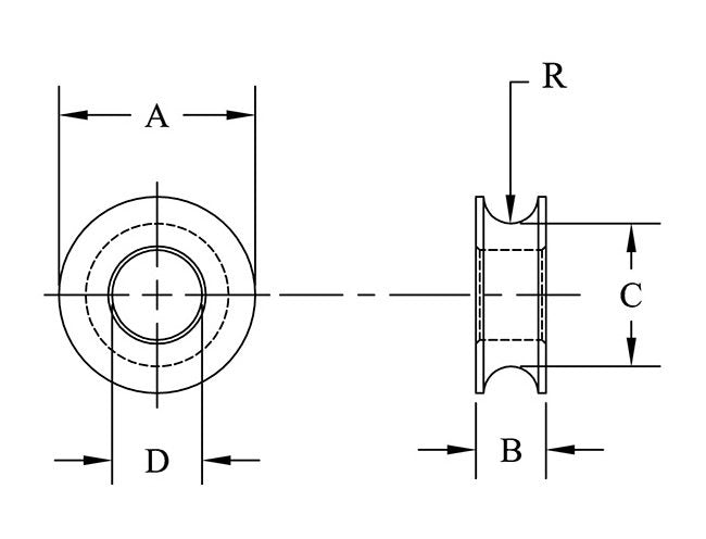
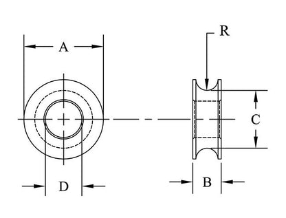
The Corrosion-Resistant Cable Bushing AN111 is designed to provide durability and reliability in military applications. Crafted from high-quality steel, this cable bushing ensures long-lasting performance even in harsh environments. With precise specifications including Wire Rope Dia of 5/32", A=.562, B=.218, C=.406, D+/-=.250, and R RAD. +/-=.078, this thimble is ideal for securely installing wire ropes. Clevis pins and cotter pins are available separately for complete assembly. Trust in the Cable Bushing AN111 for exceptional strength and corrosion resistance.