CPVC Tuff Guard Gauge Isolator with 4.5" Ashcroft Duragauge
CPVC Tuff Guard Gauge Isolator with 4.5" Ashcroft Duragauge
SKU:GAU-116f12
High-quality CPVC Tuff Guard Gauge Isolator with EPDM diaphragm and 4.5" Ashcroft Duragauge. Accurate readings from 0-200 PSI, versatile fill fluid compatibility.
Regular price
$661.95
Regular price
Sale price
$661.95
Unit price
per
Delivery via Maden
Expect your order to arrive on time.
Secure Payments
All orders are processed through a secure, PCI-compliant checkout.


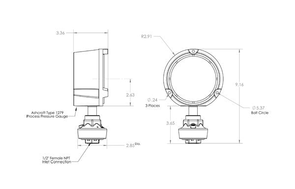
The CPVC Tuff Guard Gauge Isolator features an EPDM diaphragm for accurate pressure transmission, with a 1/4" Female NPT Inlet Connection. Designed for durability, it boasts a stainless steel reinforced instrument connection and compressive spoke ribs. The 4.5" Ashcroft Duragauge Process Gauge, assembled, tested, and calibrated, ensures precision readings from 0-200 PSI. This assembly is glycerin filled and compatible with various fill fluids, making it versatile for diverse applications. With a 3-year warranty, integral wrench provisions, and a replaceable diaphragm, this isolator guarantees reliable performance and easy maintenance.
Product Specifications
Specifications Inlet Connection
1/4" Female NPT
Specifications List Price
661.95 USD
Specifications Materials
CPVC, EPDM Diaphragm
Specifications Pressure Range
0-200 PSI
Specifications Shipping Note
We will let you know the shipping charges once we receive the order.