DFZ Series High Pressure Modular Stacking Filter
DFZ Series High Pressure Modular Stacking Filter
SKU:HYD-dfd9b9
Enhance hydraulic system performance with the DFZ Series Modular Stacking Filter, ideal for high-pressure applications in various industries.
Regular price
$349.99
Regular price
Sale price
$349.99
Unit price
per
Delivery via Maden
Expect your order to arrive on time.
Secure Payments
All orders are processed through a secure, PCI-compliant checkout.




The DFZ Series High Pressure Modular Stacking Filter is a robust pressure filter designed for industrial applications, meeting the stringent requirements of hydraulic systems operating at 4568 psi. Featuring a modular stacking design, this filter offers easy maintenance with options for visual differential clogging indicators, left or right bowl configuration, and multiple mounting patterns to suit various hydraulic manifolds. With a flow capacity of 10 gpm and compatibility with a wide range of fluids, including hydrocarbon-based, synthetic, and water glycol, this filter ensures optimal performance in agricultural, automotive, construction, industrial, and other heavy-duty settings. Constructed with durable steel components and high-collapse elements, the DFZ Filter guarantees reliable filtration under extreme operating conditions.
Product Specifications
Application 0
AgriculturalAutomotiveConstructionIndustrialPower RailwaysGenerationSteel / HeavyIndustry
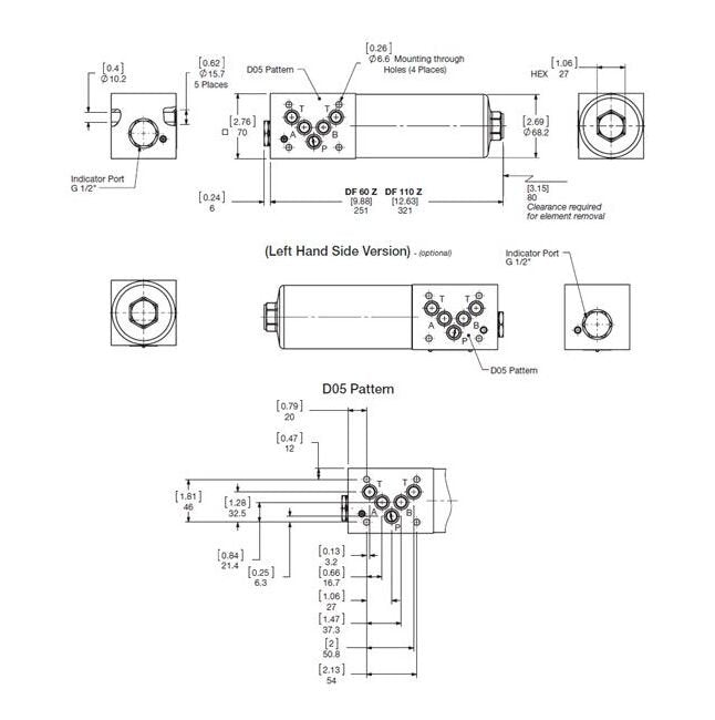
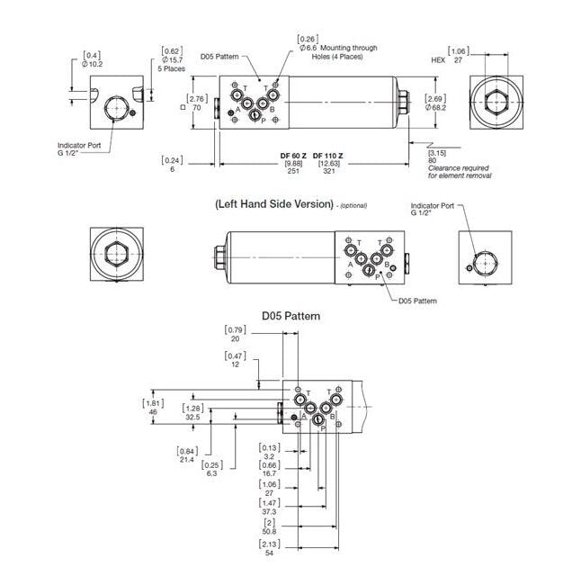
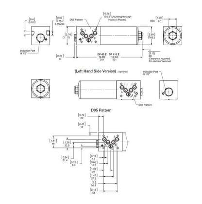
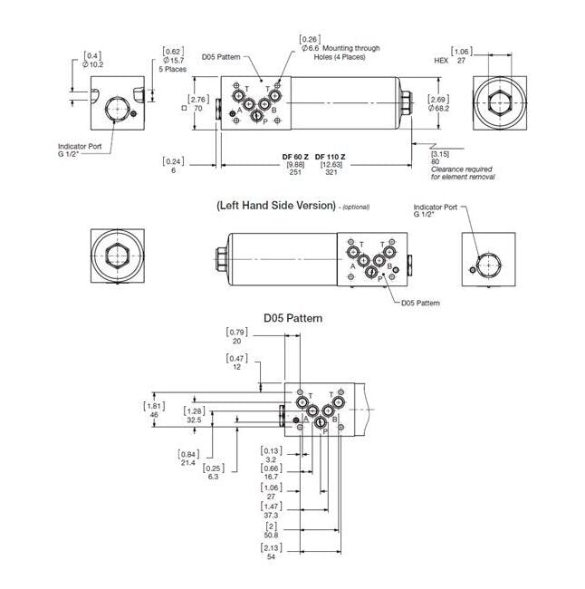
Dimensions Diameter D1
2.69 in | 68.2 mm
Dimensions Dimension B1
2.76 in | 70 mm
Dimensions Dimension H1
12.63 in | 321 mm
Features 0
A visual (pop-up), electrical, electrical/visual (lamp) differential type clogging indicator can be installed.The DFZ filter can be ordered with the bowl on the left or the right side for easy element change out.The DFZ filter is available in two mounting patterns to fit different hydraulic manifolds: ANSI/B93.7M-D03 / Cetop R35(was B93.7-D01) DF 30 ZANSI/B93.7M-D05/ Cetop R35(was V93.7-D02) includes fifth port for optional tank connection DF 60 Z or DF 110ZFilter does not contain a bypass valve. Only available with non bypass, high collapse elements required.
Specifications Bun
EA
Specifications Filter Type
Modular Stacking
Specifications Indication Type
A = No indicator, plugged port
Specifications Model Code Description
DFZ 110Q C XX A 1.0
Specifications Port Configuration
Stacking
Specifications Seals
Nitrile Rubber (NBR)
Specifications Size
110
Specifications Type
Pressure Filter
Specifications Weight
15 lb
Technical Specifications Burst Housing Pressure Rating
1260 bar | 18270 psi
Technical Specifications Construction Material For Bowl
Steel
Technical Specifications Construction Material For Head
Steel
Technical Specifications Element Collapse Pressure Rating
210 bar | 3045 psi
Technical Specifications Fatigue Housing Pressure Rating At 1 Mi
315 bar | 4568 psi
Technical Specifications Flow Capacity
10 gpm | 38 L/min
Technical Specifications Fluid Compatibility
Compatible with all hydrocarbon based, synthetic, water glycol, oil/water emulsion, and high water based fluids when the appropriate seals are selected.
Technical Specifications Maximum Allowable Housing Working Press
315 bar | 4568 psi
Technical Specifications Maximum Fluid Temperature
100 ºC | 212 ºF
Technical Specifications Minimum Fluid Temperature
-10 ºC | 14 ºF