DFZ Series High Pressure Modular Stacking Filter
DFZ Series High Pressure Modular Stacking Filter
SKU:HYD-916649
DFZ Series High Pressure Modular Stacking Filter - Efficient, Durable, Multi-fluid Compatible
Regular price
$249.99
Regular price
Sale price
$249.99
Unit price
per
Delivery via Maden
Expect your order to arrive on time.
Secure Payments
All orders are processed through a secure, PCI-compliant checkout.




The DFZ Series High Pressure Modular Stacking Filter is a robust solution designed for industrial applications requiring superior filtration capabilities. With a maximum allowable housing working pressure rating of 4568 psi, this filter ensures efficient fluid filtration with a 5 µm filter rating. Constructed from durable steel materials, this filter can withstand temperatures ranging from -10°C to 100°C, making it suitable for a wide range of environments. The DFZ filter features a visual differential clogging indicator, versatile mounting options, and is compatible with various fluids, including hydrocarbon-based and synthetic fluids.
Product Specifications
Application 0
AgriculturalAutomotiveConstructionIndustrialPower RailwaysGenerationSteel / HeavyIndustry
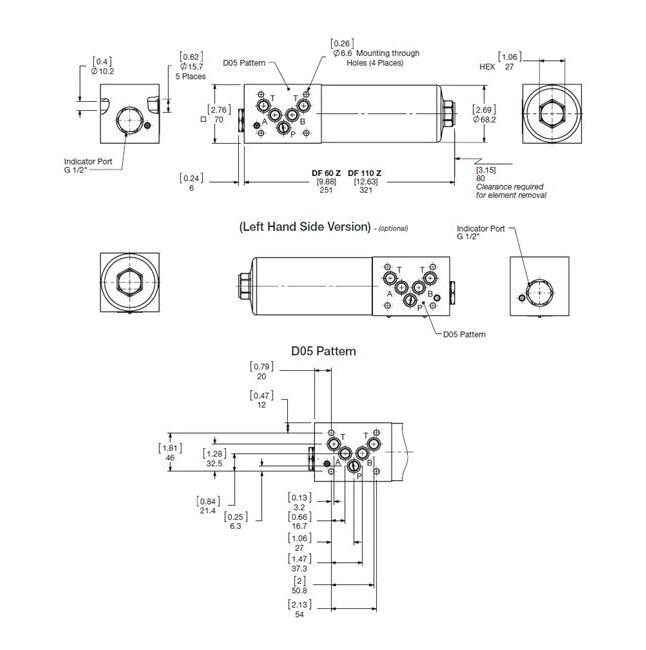
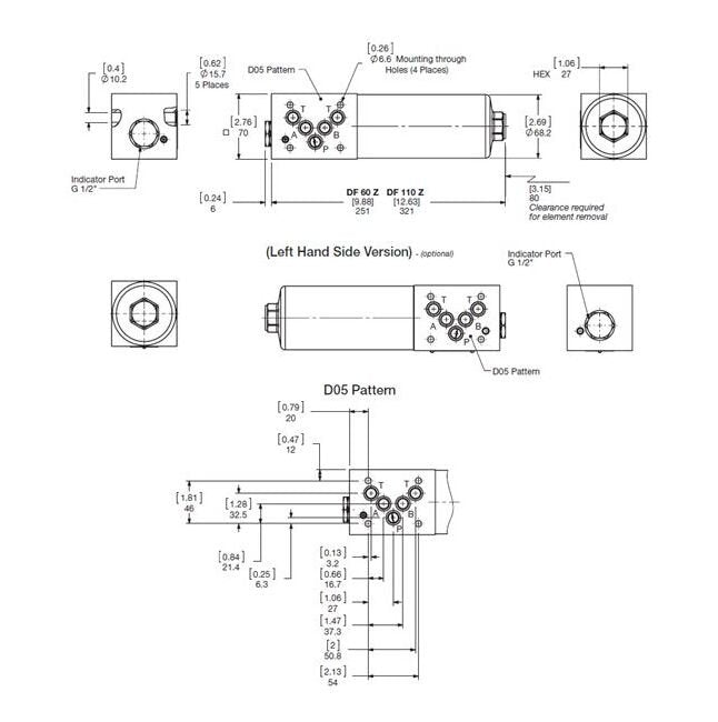
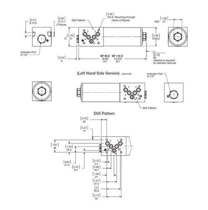
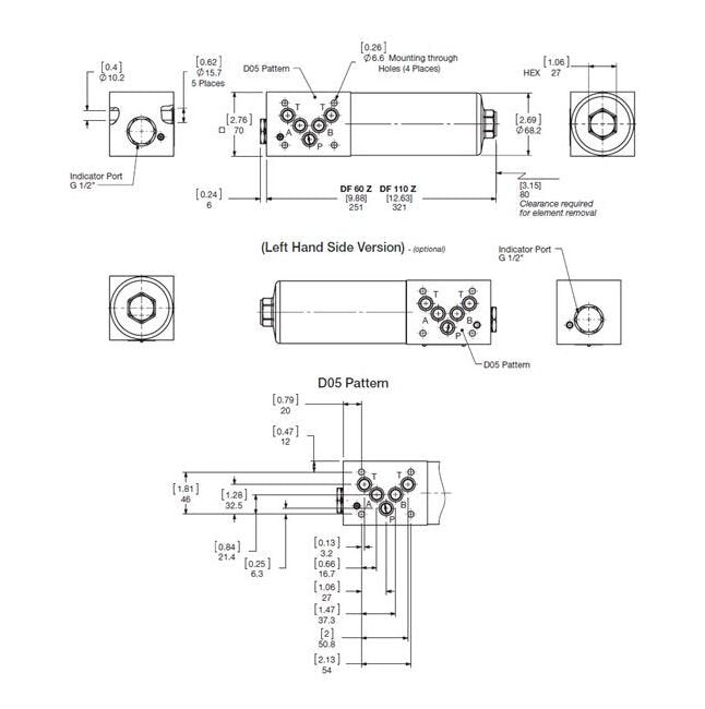
Dimensions Diameter D1
1.81 in | 46 mm
Dimensions Dimension B1
1.89 in | 48 mm
Dimensions Dimension H1
9.88 in | 251 mm
Features 0
A visual (pop-up), electrical, electrical/visual (lamp) differential type clogging indicator can be installed.The DFZ filter can be ordered with the bowl on the left or the right side for easy element change out.The DFZ filter is available in two mounting patterns to fit different hydraulic manifolds: ANSI/B93.7M-D03 / Cetop R35(was B93.7-D01) DF 30 ZANSI/B93.7M-D05/ Cetop R35(was V93.7-D02) includes fifth port for optional tank connection DF 60 Z or DF 110ZFilter does not contain a bypass valve. Only available with non bypass, high collapse elements required.
Specifications Bun
EA
Specifications Division
HYDRAULIC AND LUBE FILTERS
Specifications Filter Type
Modular Stacking
Specifications Indication Type
D = Electric switch and LED light - SPDT
Specifications Model Code Description
DFZBH/HC60QC5D1.0/V-L110
Specifications Port Configuration
Stacking
Specifications Product
FILTERS-HIGH PRESSURE (>3000PSI)
Specifications Product Group Family
FILTERS-HIGH PRESSURE (ò3000 PSI)
Specifications Seals
Fluorocarbon Elastomer (FKM)
Specifications Size
60
Specifications Type
Pressure Filter
Specifications Weight
13.1 lb
Technical Specifications Burst Housing Pressure Rating
1260 bar | 18270 psi
Technical Specifications Construction Material For Bowl
Steel
Technical Specifications Construction Material For Head
Steel
Technical Specifications Element Collapse Pressure Rating
210 bar | 3045 psi
Technical Specifications Fatigue Housing Pressure Rating At 1 Mi
315 bar | 4568 psi
Technical Specifications Filter Rating
5 µm
Technical Specifications Flow Capacity
10 gpm | 38 L/min
Technical Specifications Fluid Compatibility
Compatible with all hydrocarbon based, synthetic, water glycol, oil/water emulsion, and high water based fluids when the appropriate seals are selected.
Technical Specifications Maximum Allowable Housing Working Press
315 bar | 4568 psi
Technical Specifications Maximum Fluid Temperature
100 ºC | 212 ºF
Technical Specifications Minimum Fluid Temperature
-10 ºC | 14 ºF