DFZ Series Modular Stacking Filter - High Pressure (4568 PSI)
DFZ Series Modular Stacking Filter - High Pressure (4568 PSI)
SKU:HYD-4e93e1
DFZ Series Modular Stacking Filter - High Pressure (4568 PSI) - Ensures efficient high-pressure fluid filtration. Ideal for diverse industries. Steel construction.
Regular price
$189.99
Regular price
Sale price
$189.99
Unit price
per
Delivery via Maden
Expect your order to arrive on time.
Secure Payments
All orders are processed through a secure, PCI-compliant checkout.





The DFZ Series Modular Stacking Filter is engineered for high-pressure applications, boasting a maximum 4568 psi housing working pressure rating. Designed as a pressure filter with a 3 µm filter rating, this filter ensures precise filtration of fluids in hydraulic systems. The steel construction of the head and bowl guarantees durability in challenging environments. With compatibility across various fluids and a flow capacity of 6 gpm, the DFZ Series Filter is versatile for applications in industries like agriculture, automotive, construction, and steel production.
Product Specifications
Application 0
AgriculturalAutomotiveConstructionIndustrialPower RailwaysGenerationSteel / HeavyIndustry
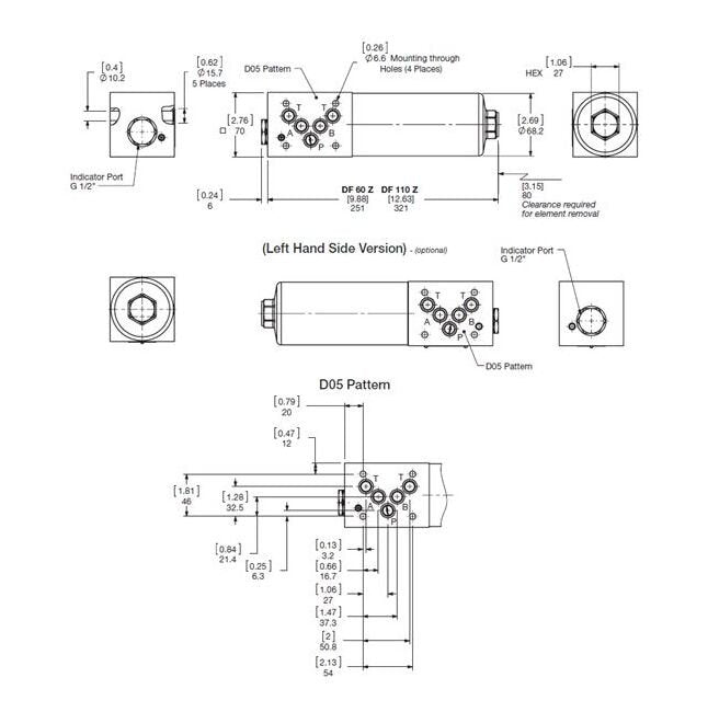
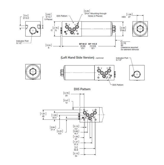
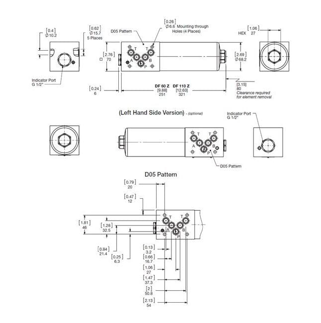
Dimensions Diameter D1
1.81 in | 46 mm
Dimensions Dimension B1
1.89 in | 48 mm
Dimensions Dimension H1
8.66 in | 220 mm
Features 0
A visual (pop-up), electrical, electrical/visual (lamp) differential type clogging indicator can be installed.The DFZ filter can be ordered with the bowl on the left or the right side for easy element change out.The DFZ filter is available in two mounting patterns to fit different hydraulic manifolds: ANSI/B93.7M-D03 / Cetop R35(was B93.7-D01) DF 30 ZANSI/B93.7M-D05/ Cetop R35(was V93.7-D02) includes fifth port for optional tank connection DF 60 Z or DF 110ZFilter does not contain a bypass valve. Only available with non bypass, high collapse elements required.
Specifications Bun
EA
Specifications Division
HYDRAULIC AND LUBE FILTERS
Specifications Filter Type
Modular Stacking
Specifications Indication Type
D = Electric switch and LED light - SPDT
Specifications Model Code Description
DFZV30QB3D1.0/L24
Specifications Port Configuration
Stacking
Specifications Product
FILTERS-HIGH PRESSURE (>3000PSI)
Specifications Product Group Family
FILTERS-HIGH PRESSURE (ò3000 PSI)
Specifications Seals
Nitrile Rubber (NBR)
Specifications Size
30
Specifications Type
Pressure Filter
Specifications Weight
5.3 lb
Technical Specifications Burst Housing Pressure Rating
1260 bar | 18270 psi
Technical Specifications Construction Material For Bowl
Steel
Technical Specifications Construction Material For Head
Steel
Technical Specifications Element Collapse Pressure Rating
210 bar | 3045 psi
Technical Specifications Fatigue Housing Pressure Rating At 1 Mi
315 bar | 4568 psi
Technical Specifications Filter Rating
3 µm
Technical Specifications Flow Capacity
6 gpm | 23 L/min
Technical Specifications Fluid Compatibility
Compatible with all hydrocarbon based, synthetic, water glycol, oil/water emulsion, and high water based fluids when the appropriate seals are selected.
Technical Specifications Maximum Allowable Housing Working Press
315 bar | 4568 psi
Technical Specifications Maximum Fluid Temperature
100 ºC | 212 ºF
Technical Specifications Minimum Fluid Temperature
-10 ºC | 14 ºF