Domnick Hunter DME Desiccant Service Kit - 4A Molecular Sieve, 25 lb
Domnick Hunter DME Desiccant Service Kit - 4A Molecular Sieve, 25 lb
SKU:SSP-1a24e8
Enhance your desiccant dryer's performance with the Domnick Hunter DME Desiccant Service Kit - 4A Molecular Sieve. Guaranteed OEM fit and exceptional moisture adsorption.
Regular price
$290.00
Regular price
Sale price
$290.00
Unit price
per
Delivery via Maden
Expect your order to arrive on time.
Secure Payments
All orders are processed through a secure, PCI-compliant checkout.


The Domnick Hunter DME Desiccant Service Kit is a top-quality solution designed for modular desiccant dryers. Each kit contains 25 lbs of 4A Molecular Sieve, ensuring efficient moisture adsorption and maximum performance. Compliant with OEM standards, this kit guarantees a precise fit and reliable operation, making it ideal for institutional and government applications. With its impeccable build quality and molecular sieve adsorbent, this kit ensures exceptional air treatment and prolongs the life of your desiccant dryer system.
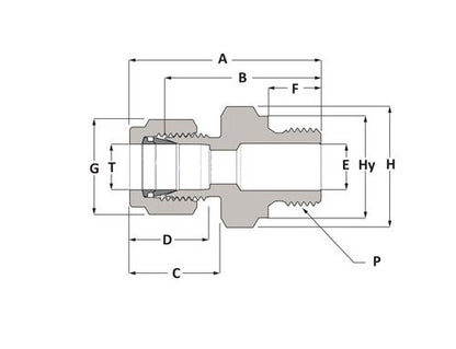
Product Specifications
Dimensions A
2.36 in
Dimensions B Body
1.88 in
Dimensions C
1.04 in
Dimensions D
1.23 in
Dimensions E
0.78 in
Dimensions F
0.72 in
Dimensions G
1 1/2 in
Dimensions H
1 5/8 in
Dimensions Hy
1.54 in
Dimensions P
1 in
Dimensions T
1 in
Specifications Body Material
316 SS
Specifications Brand Series
Duolok
Specifications Connection 1 Size
1 in
Specifications Connection 1 Type
Tube Fitting
Specifications Connection 2 Size
1 in
Specifications Connection 2 Type
Male BSPP
Specifications End Connections
TF x Male BSPP
Specifications Handle Color
0
Specifications Handle Type
0
Specifications List Price
86.85 USD
Specifications Production Category
1
Specifications Shape
Straight
Category 6
Duolok® Tube Fittings