Domnick Hunter Modular Desiccant Dryer Silencer Kits DME 012-080
Domnick Hunter Modular Desiccant Dryer Silencer Kits DME 012-080
SKU:SSP-cc7353
Enhance your modular desiccant dryer with precision-fit silencer kits for optimal performance and noise reduction.
Regular price
$180.00
Regular price
Sale price
$180.00
Unit price
per
Delivery via Maden
Expect your order to arrive on time.
Secure Payments
All orders are processed through a secure, PCI-compliant checkout.


The Domnick Hunter DME Silencer Kits are essential for maintaining the efficiency and performance of modular desiccant dryers. Specifically designed to meet OEM requirements, these kits guarantee a perfect fit for DME 012 to 080 models. Each kit includes two silencers with 1/2 inch BSP threads, ensuring a seamless connection. Ideal for desiccant air dryers, these kits enhance air treatment by reducing noise levels and optimizing airflow. With a competitive price point and easy financing options available, upgrading your desiccant dryer has never been more convenient.
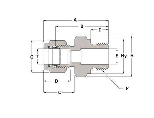
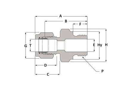
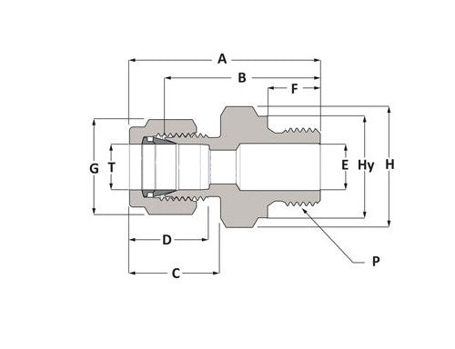
Product Specifications
Dimensions A
1.18 in
Dimensions B Body
0.92 in
Dimensions C
0.60 in
Dimensions D
0.50 in
Dimensions E
0.09 in
Dimensions F
0.28 in
Dimensions G
7/16 in
Dimensions H
9/16 in
Dimensions Hy
0.54 in
Dimensions P
1/8 in
Dimensions T
1/8 in
Specifications Body Material
Brass
Specifications Brand Series
Duolok
Specifications Connection 1 Size
1/8 in
Specifications Connection 1 Type
Tube Fitting
Specifications Connection 2 Size
1/8 in
Specifications Connection 2 Type
Male BSPP
Specifications End Connections
TF x Male BSPP
Specifications Handle Color
0
Specifications Handle Type
0
Specifications Production Category
4
Specifications Shape
Straight
Category 6
Duolok® Tube Fittings