Duolok 316 SS Tube Fitting Front Ferrule 1/16 in.
Duolok 316 SS Tube Fitting Front Ferrule 1/16 in.
SKU:SOU-73a223
Premium Duolok 316 SS Tube Fitting Front Ferrule for secure and leak-free connections in instrumentation applications.
Regular price
$2.96
Regular price
Sale price
$2.96
Unit price
per
Delivery via Maden
Expect your order to arrive on time.
Secure Payments
All orders are processed through a secure, PCI-compliant checkout.


The Duolok 316 SS Tube Fitting Front Ferrule in 1/16 inch size is a premium quality component designed for precise instrumentation tube fitting applications. Crafted from durable 316 stainless steel, this front ferrule ensures secure and leak-free connections. The Duolok brand series guarantees industry-leading performance and reliability, making it ideal for demanding settings. With a sleek design and easy installation, this front ferrule enhances operational efficiency and safety.
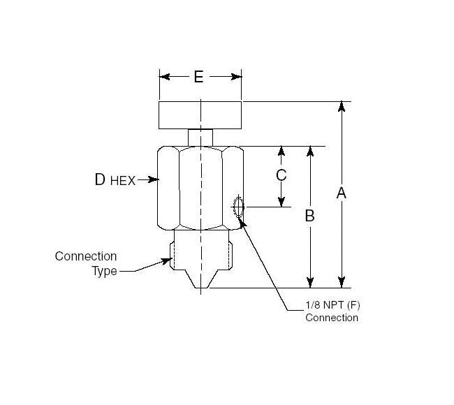
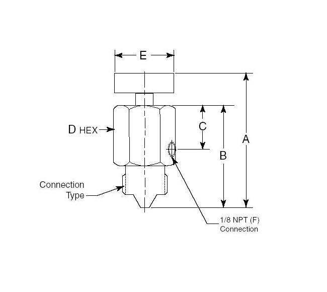
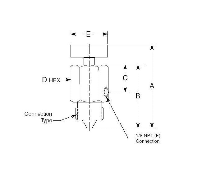
Product Specifications
Specifications A Length
3.23 in | 82.04 mm
Specifications B Length
2.42 in | 61.47 mm
Specifications Connection Size
3/8 in | 9.53 mm
Specifications Connection Type
SM375CX
Specifications C Length
1.12 in | 28.45 mm
Specifications D Hex
1.38 in | 35.05 mm
Specifications E Length
1.50 in | 38.1 mm
Specifications Orifice Size
0.093 in | 2.36 mm
Specifications Pressure Rating At Room Temperature
10000 psi | 690 bar
Specifications Valve Pattern
Bleed Valve