Duolok BSPP Male Connector - Alloy C-276
Duolok BSPP Male Connector - Alloy C-276
SKU:FIT-f7c315
Premium Duolok BSPP Male Connector for secure and durable tube connections in industrial settings.
Regular price
$45.99
Regular price
Sale price
$45.99
Unit price
per
Delivery via Maden
Expect your order to arrive on time.
Secure Payments
All orders are processed through a secure, PCI-compliant checkout.


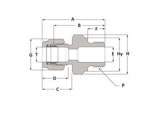
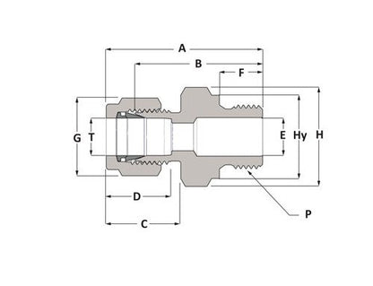
The Duolok BSPP Male Connector features top-grade Alloy C-276 construction, ensuring exceptional durability and corrosion resistance. With a 3/8 inch Tube Fitting and 1/4 inch Male BSPP connections, this straight-shaped connector offers a secure and reliable linkage for various industrial applications. The precision engineering of the Duolok series guarantees a tight seal and optimal performance, meeting the stringent requirements of institutional and government procurement standards.
Product Specifications
Dimensions A
1.54 in
Dimensions B Body
1.25 in
Dimensions C
0.76 in
Dimensions D
0.66 in
Dimensions E
0.23 in
Dimensions F
0.44 in
Dimensions G
11/16 in
Dimensions H
3/4 in
Dimensions Hy
0.71 in
Dimensions P
1/4 in
Dimensions T
3/8 in
Specifications Body Material
Alloy C-276
Specifications Brand Series
Duolok
Specifications Connection 1 Size
3/8 in
Specifications Connection 1 Type
Tube Fitting
Specifications Connection 2 Size
1/4 in
Specifications Connection 2 Type
Male BSPP
Specifications End Connections
TF x Male BSPP
Specifications Handle Color
0
Specifications Handle Type
0
Specifications Production Category
4
Specifications Shape
Straight
Category 6
Tube Fitting to BSP Thread Fitting - Duolok