Durable Series 10 Ratchet Wrench with 1 1/4 Inch Bore Gear Opening
Durable Series 10 Ratchet Wrench with 1 1/4 Inch Bore Gear Opening
SKU:SER-ae43f5
Durable and versatile Ratchet Wrench with 1 1/4 Inch Bore Gear Opening, meets US Federal Standards
Regular price
$89.99
Regular price
Sale price
$89.99
Unit price
per
Delivery via Maden
Expect your order to arrive on time.
Secure Payments
All orders are processed through a secure, PCI-compliant checkout.



The Model 17 Ratchet Wrench from the Series 10 line offers unparalleled durability in rugged applications. Crafted from cast malleable iron, this wrench features reversing control in the head and enclosed, replaceable gears. With a slim profile and a wide range of standard and special gear openings, it conforms to US Federal Specification GGG-W-653, Type I, Class 1 standards. Designed for bolt-through applications, this wrench is available with special gear opening shapes and sizes upon request, making it a versatile and reliable tool for various industrial needs.
Product Specifications
Specifications Dimension B
19 1/2 in | 495 mm
Specifications Dimension C
3 in | 76 mm
Specifications Dimension D
1 7/32 in | 30 mm
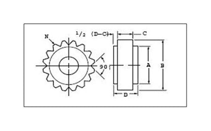
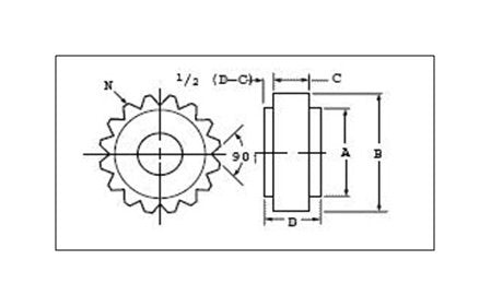
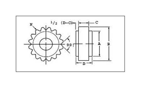
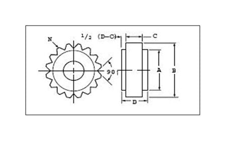
Specifications Gear Dimension A
1.840 in | 46.7 mm
Specifications Gear Dimension B
2.329 in | 59.2 mm
Specifications Gear Dimension C
.685 in | 17.4 mm
Specifications Gear Dimension D
1.218 in | 30.9 mm
Specifications Gear Opening Shape
Bore
Specifications Gear Opening Size
1 1/4 in
Specifications Gear Part Number
93120
Specifications Handle Nominal Length A
18 in | 458 mm
Specifications Handle Part Number
17901
Specifications Material
Cast Malleable Iron
Specifications Model
17
Specifications Number Of Teeth
20
Specifications Series
10
Specifications Standards
US Federal Specification GGG-W-653, Type I, Class 1
Specifications Weight
5 1/2 lb | 2.50 kg