Eaton-Airflex Dual Wide VC Elements - High Torque Drum Clutch
Eaton-Airflex Dual Wide VC Elements - High Torque Drum Clutch
SKU:CLU-6172a6
Reliable and high-torque dual drum clutch elements with efficient cooling and easy serviceability.
Regular price
$11,999.00
Regular price
Sale price
$11,999.00
Unit price
per
Delivery via Maden
Expect your order to arrive on time.
Secure Payments
All orders are processed through a secure, PCI-compliant checkout.
The Eaton-Airflex Dual Wide VC Elements offer exceptional torque transmission using torque bars. With a torque rating of 5600000 lb·in, maximum speed of 480 rpm, and sturdy construction, these elements ensure reliable performance. Featuring a ventilated construction for efficient cooling and easy serviceability, they are ideal for grinding mills, marine propulsion, metal forming machinery, and oil field machinery applications. Their dual design doubles the torque capacity, making them a versatile and robust choice for industrial needs.

Product Specifications
Features 0
Ventilated ConstructionFriction shoe backing plates have large air passages through their entire length. This construction coupled with scalloped side plates allows cooling air to flow through the element. In addition, the large exposed inside diameter assures the coolest possible operation. None of the heat is generated deep in the element's internal parts where it can be trapped. The open construction assures rapid heat dissipation.ServiceabilityThe VC clutch can be dismantled on the shaft to gain access to its component parts. All parts are available as replacement parts.A limited number of element sizes are available in a split configuration. They are used in applications having limited axial access for element maintenance. The following pages give additional descriptive information, selection procedures and common clutch and brake arrangements for the complete VC product line.
General Description 0
VC design and construction is different from the CB and CM elements in that the torque is transmitted by torque bars rather than the sidewalls of the actuating tube. The loose actuating tube is contained within a housing formed by a rim and two side plates. and is replaceable. The torque bars, which are held in position by the side plates, pass through cavities in the backing plates of the friction shoes. Pressurizing the actuating tube forces the friction shoes to engage around a cylindrical drum. Leaf springs in the torque bar cavities of the backing plates retract the friction shoes when the actuating tube pressure is released. Element torque capacity is dependent upon the applied pressure and rotating speed. Catalog ratings are given at 75 psi (5.2 bar) and zero rpm. Maximum recommended pressure is 125 psi (8.6 bar). Adjustment for pressure and speed is explained under Selection Procedure.VC elements are available in 24 sizes which are identified by the drum diameter in inches on which they constrict and the width in inches of its friction lining. For a given drum diameter it is possible to have two different lining widths. For this reason, the elements are grouped by lining width into a narrow series and a wide series. As an example, the narrow series 20VC600 and the wide series 20VC1000 both constrict on a 20 inch diameter drum. But, the narrow unit has a lining width of 6 inches, and the wide unit has a lining width of 10 inches. The smallest VC element will constrict on a 11.5 inch (292 mm) diameter drum and the largest on a 76 inch (1930 mm) diameter drum.Two elements of a narrow series can be bolted together to form a dual element having twice the torque capacity of a single element. With the exception of the 14VC1000 element, the wide series elements can also be dualed. The large drum hub diameter and small drum diameter restricts the radial space available for mechanically connecting the drums to the hub and makes dualing the 14VC1000 elements impractical.The VC design offers the following features in addition to the constricting features described earlier in this section.
Note 0
Part Number refers to basic part number only. When ordering, the number of air inlets and type of connection must be specified.
Specifications Actuation
Air Applied
Specifications Air Tube Cavity
3920 in³ | 64.3 dm³
Specifications Angle Q
4.50 º
Specifications Centrifugal Loss Cs
12.83 E-06 bar/rpm2 | 186 E-06 psi/rpm2
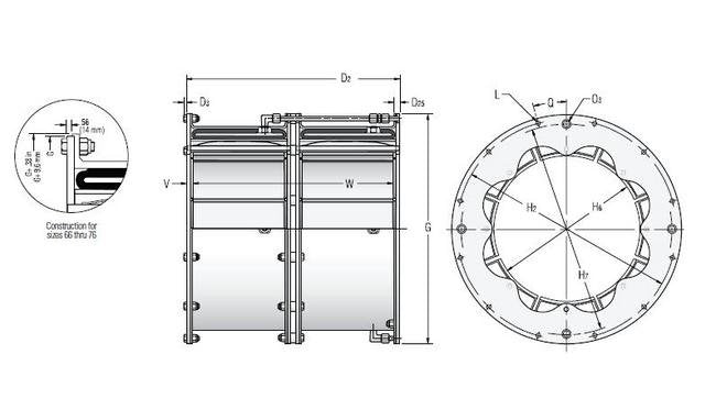
Specifications Dimension D2
37.00 in | 940 mm
Specifications Dimension D25
1.38 in | 35 mm
Specifications Dimension D3
0.78 in | 20 mm
Specifications Dimension G
82.123 in | 2085.9 mm
Specifications Dimension H2
79.625 in | 2022.5 mm
Specifications Dimension H6
66.22 in | 1682 mm
Specifications Dimension H7
78.38 in | 1991 mm
Specifications Dimension L Diameter
1.312 in | 33.3 mm
Specifications Dimension V
1.25 in | 32 mm
Specifications Friction Area
6160 in² | 39732 cm²
Specifications Friction Shoe Width W
34.50 in | 876 mm
Specifications Inertia
49700 lb·ft² | 2087 kg·m²
Specifications Manufacturer
Eaton-Airflex
Specifications Maximum Speed
480 rpm
Specifications Minimum Drum Diameter
65.75 in | 1670 mm
Specifications New Friction
0.66 in | 17 mm
Specifications Number Of Hole L
40
Specifications O3 Number
4
Specifications Size
66VC1600
Specifications Size O3
0.88 in | 22 mm
Specifications Tolerance For L
+0.005/-0.000 in | +0.13/-0.00 mm
Specifications Tolerance For Sizes G
+0.000/-0.005 in | +0.00/-0.13 mm
Specifications Torque Rating 75 Psi55 Bar
5600000 lb·in | 632710 Nm
Specifications Weight
5260 lb | 2383 kg
Specifications Worn Lining Thickness
0.30 in | 8 mm
Specifications W Number
44
Where Used 0
Grinding Mills Marine Propulsion Metal Forming MachineryOil Field Machinery