Enmet Formaldemeter Portable Gas Detector
Enmet Formaldemeter Portable Gas Detector
SKU:SSP-03420c
Accurately monitor formaldehyde levels with the Enmet Portable Gas Detector. Lightweight, easy-to-use, and precise.
Regular price
$289.99
Regular price
Sale price
$289.99
Unit price
per
Delivery via Maden
Expect your order to arrive on time.
Secure Payments
All orders are processed through a secure, PCI-compliant checkout.


The Enmet Formaldemeter Portable Gas Detector, part of the Enmet Carbon Monoxide & Oxygen Monitor/Alarms product line, is a handheld instrument designed to accurately monitor airborne formaldehyde levels. With the ability to measure formaldehyde concentrations in parts per million (ppm) and mg/m3, this portable detector ensures precise readings under various environmental conditions. Featuring rapid response time, a built-in sampling pump, temperature and humidity display, and easy calibration, this lightweight device is ideal for both consumer and institutional settings. It meets strict industry standards for formaldehyde monitoring, making it a reliable choice for safety and compliance.
Product Specifications
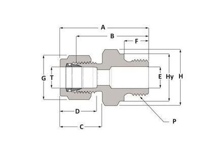
Dimensions A
1.82 in
Dimensions B Body
1.53 in
Dimensions C
0.76 in
Dimensions D
0.66 in
Dimensions E
0.28 in
Dimensions F
0.56 in
Dimensions G
11/16 in
Dimensions H
1 1/16 in
Dimensions Hy
1.02 in
Dimensions P
1/2 in
Dimensions T
3/8 in
Specifications Body Material
Alloy C-276
Specifications Brand Series
Duolok
Specifications Connection 1 Size
3/8 in
Specifications Connection 1 Type
Tube Fitting
Specifications Connection 2 Size
1/2 in
Specifications Connection 2 Type
Male BSPP
Specifications End Connections
TF x Male BSPP
Specifications Handle Color
0
Specifications Handle Type
0
Specifications Production Category
4
Specifications Shape
Straight
Category 6
Duolok® Tube Fittings