Forged Steel Class 3000 Socket-Weld Tee 1 1/4
Forged Steel Class 3000 Socket-Weld Tee 1 1/4
SKU:FIT-57d430
Durable Forged Steel Class 3000 Socket-Weld Tee for industrial use. Secure connections, precise dimensions. Ideal for demanding environments.
Regular price
$249.99
Regular price
Sale price
$249.99
Unit price
per
Delivery via Maden
Expect your order to arrive on time.
Secure Payments
All orders are processed through a secure, PCI-compliant checkout.


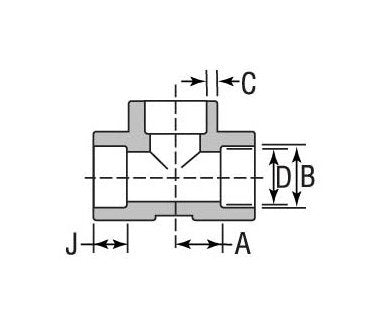
The Forged Steel Class 3000 Socket-Weld Tee in 1 1/4 size is a durable and high-performance fitting designed for industrial applications. With a socket diameter of 43mm and a bore diameter of 34mm to 36mm, this tee ensures secure connections. Its minimum socket depth of 13mm and precise dimensions meet strict industry standards, making it ideal for use in demanding environments. Weighing 111kg per 100 pieces, this tee guarantees reliability and longevity, essential for both consumer and institutional buyers.
Product Specifications
Specifications Bore Diameter D
34 mm | 36 mm
Specifications Dimension A
27.00 mm
Specifications Dimension C Min
5 mm
Specifications Dn
32
Specifications Minimum Socket Depth J
13 mm
Specifications Nps
1 1/4
Specifications Socket Diameter B
43 mm
Specifications Weight100 Pieces
111 kg