GO Regulator HPR-2 Electrically Heated Vaporizing Regulator
GO Regulator HPR-2 Electrically Heated Vaporizing Regulator
SKU:GOP-bed137
Reliable GO Regulator HPR-2 Electrically Heated Vaporizing Regulator for precise pressure control in analytical process sample conditioning systems.
Regular price
$129.99
Regular price
Sale price
$129.99
Unit price
per
Delivery via Maden
Expect your order to arrive on time.
Secure Payments
All orders are processed through a secure, PCI-compliant checkout.
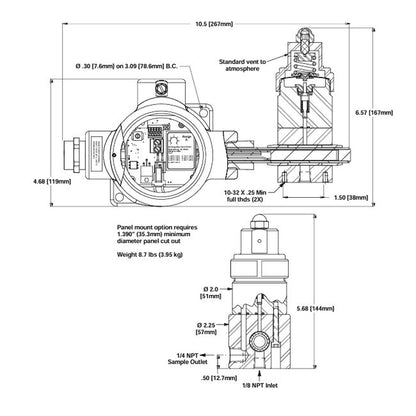
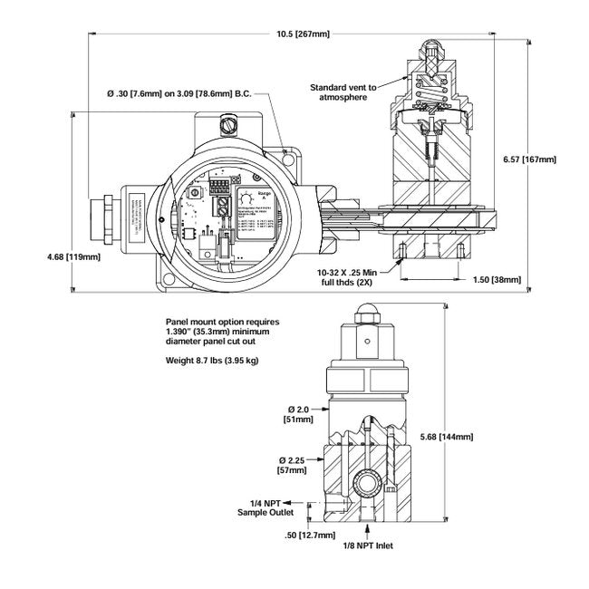
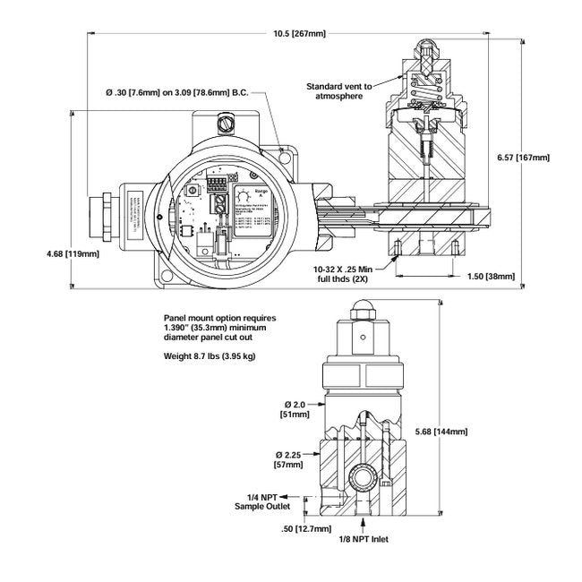
The GO Regulator HPR-2 Electrically Heated Vaporizing Regulator is a reliable solution designed to preheat liquids, prevent gas condensation, or vaporize liquids for gas analysis in analytical process sample conditioning systems. With a robust construction using 316L stainless steel, this regulator offers precise pressure control with an outlet range of 0 to 50 psig. Its modular design features a spiral wrapped heat exchange element, providing up to 100 square inches of heat transfer area for efficient operation. Certified by CSA and ATEX, it ensures safety with optional TCO heating cartridge and complies with industry standards for optimal performance and durability.

Product Specifications
Features And Benefits Features And Benefits
Optional HASTELLOY® C and MONEL®Electropolished body with better than 25 Rafinish in diaphragm cavity for an optimal sealing surfaceBubble-tight shutoffModular pressure control and heat exchanger assemblies for easy maintenanceUnique spiral wrapped heat exchange element provides up to 100 square inches of heat transfer area.Optional TCO heating cartridgeINCONEL® diaphragm standard
Note Note
Contact the factory for any additional requirements.Units that will be used for flammable liquid or gas with fire point at 200ºC or below require the TCO Thermistor. It is also recommended to use the 1-PC body option. In addition, Tefzel and PCTFE seats in these units are recommended to use the captured vent cap option which provides for venting to a safe location.
Specifications Body Material
316L Stainless Steel
Specifications Cap Assembly
Tamper-Proof, Standard, Stainless Steel
Specifications Certifications
Canadian Standards Association (CSA) Certification # LR-82566-5 | Certification # TRL03ATEX11001X
Specifications Flow Coefficient Cv
0.06
Specifications Heater Block Porting
Standard Block
Specifications Outlet Range
0 to 50 psig
Specifications Port Configuration
Y - See Diagram for Port Configuration
Technical Data Inlet Pressure
Up to 6000 psig at 380 ºF (193 ºC)
Technical Data Operating Temperature
0 to 500 ºF | 260 ºC
Applications Applications
Analytical process sample conditioning systems:Petrochemical refineriesChemical production facilitiesPilot plants (chemical & petrochemical)LNG loading and off-loading pointsNatural gas pipeline sampling