GO Regulator HPR-2 Electrically Heated Vaporizing Regulator
GO Regulator HPR-2 Electrically Heated Vaporizing Regulator
SKU:GOP-b14894
GO Regulator HPR-2: Electrically heated vaporizing regulator with precise pressure control and efficient heat transfer for analytical process sample conditioning systems.
Regular price
$799.99
Regular price
Sale price
$799.99
Unit price
per
Delivery via Maden
Expect your order to arrive on time.
Secure Payments
All orders are processed through a secure, PCI-compliant checkout.
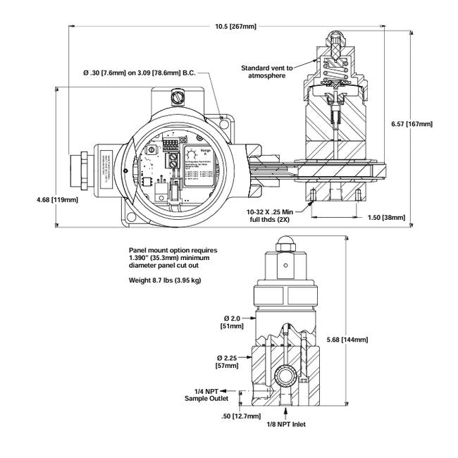
The GO Regulator HPR-2 Electrically Heated Vaporizing Regulator is a versatile solution for preheating liquids, preventing gas condensation, and vaporizing liquids for gas analysis. With a modular design, this regulator combines a reliable pressure control section based on the PR-1 regulator design with a heat exchanger section featuring GO Regulator's innovative spiral wrapped screen for efficient heat transfer. Certified by CSA and ATEX, it offers safety features like a Class A-D condulet for electrical components and optional TCO heater cartridge. With features like modular pressure control, bubble-tight shutoff, and unique heat exchange element, this regulator ensures precise performance in analytical process sample conditioning systems.

Product Specifications
Features And Benefits Features And Benefits
Optional HASTELLOY® C and MONEL®Electropolished body with better than 25 Rafinish in diaphragm cavity for an optimal sealing surfaceBubble-tight shutoffModular pressure control and heat exchanger assemblies for easy maintenanceUnique spiral wrapped heat exchange element provides up to 100 square inches of heat transfer area.Optional TCO heating cartridgeINCONEL® diaphragm standard
Note Note
Contact the factory for any additional requirements.Units that will be used for flammable liquid or gas with fire point at 200ºC or below require the TCO Thermistor. It is also recommended to use the 1-PC body option. In addition, Tefzel and PCTFE seats in these units are recommended to use the captured vent cap option which provides for venting to a safe location.
Specifications Body Material
316L Stainless Steel
Specifications Cap Assembly
Tamper-Proof, Standard, Stainless Steel
Specifications Certifications
Canadian Standards Association (CSA) Certification # LR-82566-5 | Certification # TRL03ATEX11001X
Specifications Flow Coefficient Cv
0.06
Specifications Heater Block Porting
Standard Block
Specifications Heater Block Type
120 V Alternating Current Voltage (VAC)
Specifications Heater Wattage
40 W
Specifications Outlet Range
0 to 100 psig
Specifications Port Configuration
One Inlet Port, One Outlet Port
Specifications Seat Material
Ceramic Filled Polytetrafluoroethylene (PTFE)
Specifications Temperature Rangeheating Type
54 to 149 ºC | 130 to 300 ºF
Technical Data Inlet Pressure
Up to 6000 psig at 380 ºF (193 ºC)
Technical Data Operating Temperature
0 to 500 ºF | 260 ºC
Applications Applications
Analytical process sample conditioning systems:Petrochemical refineriesChemical production facilitiesPilot plants (chemical & petrochemical)LNG loading and off-loading pointsNatural gas pipeline sampling