Heavy Duty 17mm Square Gear Ratchet Wrench - Model 24
Heavy Duty 17mm Square Gear Ratchet Wrench - Model 24
SKU:SER-f63fab
Durable Model 24 Ratchet Wrench with 17mm square gear opening, ideal for heavy-duty applications. Meets US Federal standards.
Regular price
$69.99
Regular price
Sale price
$69.99
Unit price
per
Delivery via Maden
Expect your order to arrive on time.
Secure Payments
All orders are processed through a secure, PCI-compliant checkout.



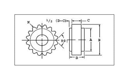
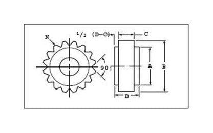
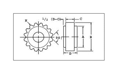
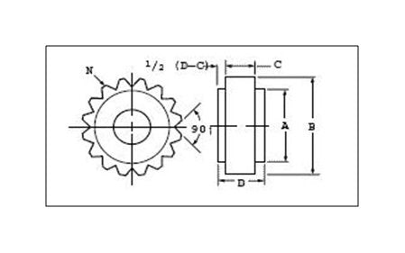
The Model 24 Ratchet Wrench from the Series 20 line is a heavy-duty tool crafted from cast malleable iron, ensuring durability for the most demanding applications. Featuring a 17mm square gear opening with 20 teeth, this wrench offers precise control and strength. The reversing control at the handle's end, along with the knurled knob for safety and convenience, enhances operational efficiency. Compliant with US Federal Spec. GGGW-653, Type I, Class 2 standards, this wrench meets rigorous requirements for government and institutional procurement.
Product Specifications
Specifications Dimension B
17 1/8 in | 434 mm
Specifications Dimension C
3 1/8 in | 80 mm
Specifications Dimension D
1 7/32 in | 30 mm
Specifications Gear Dimension A
1.840 in | 46.7 mm
Specifications Gear Dimension B
2.329 in | 59.2 mm
Specifications Gear Dimension C
.685 in | 17.4 mm
Specifications Gear Dimension D
1.218 in | 30.9 mm
Specifications Gear Opening Shape
Square
Specifications Gear Opening Size
17 mm
Specifications Gear Part Number
M3217
Specifications Handle Nominal Length A
15 9/16 in | 395 mm
Specifications Handle Part Number
24901
Specifications Material
Cast Malleable Iron
Specifications Model
24
Specifications Number Of Teeth
20
Specifications Series
20
Specifications Standards
US Federal Specification GGG-W-653, Type I, Class 2
Specifications Weight
6 1/4 lb | 2.84 kg