Heavy-Duty High Deck 2 Shelf Cart
Heavy-Duty High Deck 2 Shelf Cart
SKU:CLE-f8358a
Durable Heavy-Duty 12 gauge steel cart with 1200 lb capacity, 5" urethane casters. Ideal for industrial use.
Regular price
$508.90
Regular price
Sale price
$508.90
Unit price
per
Delivery via Maden
Expect your order to arrive on time.
Secure Payments
All orders are processed through a secure, PCI-compliant checkout.





The Heavy-Duty High Deck 2 Shelf Cart is a robust solution crafted from 12 gauge steel, designed for lasting durability and strength. Featuring all-welded construction with sturdy 1 1/2" angle corner posts and a 1" tubular handle for easy maneuvering. This utility cart has a weight capacity of 1200 lb and rolls smoothly on 5" urethane casters. Finished with a protective powder-coated gray finish, this cart stands tall at 35 inches high, providing reliability and power in industrial settings. Ideal for heavy-duty use in warehouses, factories, and institutions.
Product Specifications
Additional Information 0
The unique pleated stainless steel elements incorporate a positive double o-ring click-lock seal and are 100% integrity tested prior to shipment for reliable performance.High performance filtration for the food and beverage industry.With high efficiency and low pressure drop these filters provide efficient, cost effective performance exceeding 3A culinary specifications. There is no better filter for your culinary steam needs.
Applications 0
Food Processing | Beverage | Dairy | Biotechnology | Aseptic Processing
Financing Approve Payments
Finance with Approve Payments
Materials Of Construction Optional Body Housing Materials
1.4404 Quality 316L Stainless
Materials Of Construction Optional Drain And Vent Connections Ma
1/4 in BSPP
Materials Of Construction Optional Element To Housing Connection
Dual O-Ring Positive Click Lock Seal
Materials Of Construction Optional Endcaps Element Materials
316 Stainless Steel
Materials Of Construction Optional Inlet And Outlet Connections
Tri-Clamp Sanitary
Materials Of Construction Optional Media Element Materials
Pleated 316 Stainless Steel Mesh
Materials Of Construction Optional Media Support Element Materia
316 Stainless Steel Cage
Materials Of Construction Optional Polishing Housing Materials
Passivated and Polished to Grade Ra <1.6 µm
Materials Of Construction Optional Seals Element Materials
Dual Silicone O-Rings
Materials Of Construction Optional Seals Housing Materials
Consult Factory
Materials Of Construction Standard Body Housing Materials
1.4301 Quality 304 Stainless
Materials Of Construction Standard Drain And Vent Connections Ma
1/4 in BSPP
Materials Of Construction Standard Element To Housing Connection
Dual O-Ring Positive Click Lock Seal
Materials Of Construction Standard Endcaps Element Materials
316 Stainless Steel
Materials Of Construction Standard Inlet And Outlet Connections
NPT (Female)
Materials Of Construction Standard Media Element Materials
Pleated 316 Stainless Steel Mesh
Materials Of Construction Standard Media Support Element Materia
316 Stainless Steel Cage
Materials Of Construction Standard Polishing Housing Materials
Passivated and Polished to Grade Ra <1.6 µm
Materials Of Construction Standard Seals Element Materials
Dual Silicone O-Rings
Materials Of Construction Standard Seals Housing Materials
Aseptic EPDM
Note Note
All materials conform to 21CFR Part 177 of the US code of Federal Regulations and USP Class VI Biological test for plastics.
Performance Specifications Initial Clean Pressure Differential
1.0 psid
Performance Specifications Maximum Continuous Operating Temperat
392 ºF
Performance Specifications Maximum Design Operating Pressure
232 psig
Performance Specifications Minimum Removal Efficiency
99 %
Performance Specifications Particle Removal At 100 Pleated Depth
1 Micron
Specifications Industry Standardscertifications
FDA
Specifications Shipping Weight
2.1 lb | 4.6 lb
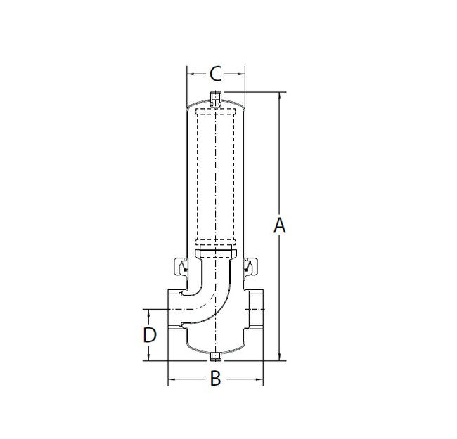
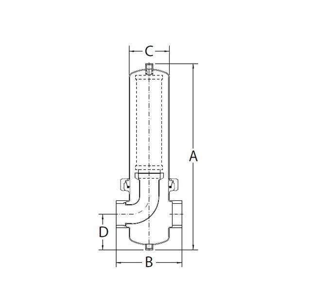
Technical Specification Dimension A
9.444 in
Technical Specification Dimension B
4.252 in
Technical Specification Dimension C
2.756 in
Technical Specification Dimension D
2.239 in
Technical Specification Inlet And Outlet Connection Size
1/2 in NPTF
Technical Specification Maximum Rated Flow
30 lb/hr
Technical Specification Replacement Element Kit
E 102 SP