Heavy-Duty Model 17 Ratchet Wrench with 1/2-inch Square Gear Opening
Heavy-Duty Model 17 Ratchet Wrench with 1/2-inch Square Gear Opening
SKU:SER-92f011
Durable and reliable heavy-duty ratchet wrench meeting US Federal standards, ideal for industrial applications.
Regular price
$89.99
Regular price
Sale price
$89.99
Unit price
per
Delivery via Maden
Expect your order to arrive on time.
Secure Payments
All orders are processed through a secure, PCI-compliant checkout.



The Model 17 Ratchet Wrench from the high-performance Series 10 is crafted from durable cast malleable iron, making it perfect for rugged industrial applications. Featuring a reversible control in the head and enclosed, replaceable gears, this wrench ensures reliability and longevity. With a wide range of standard and customizable gear openings available, slim profile design, and meeting US Federal Specification GGG-W-653, Type I, Class 1 standards, this wrench is a versatile and dependable tool for professionals seeking top-notch performance.
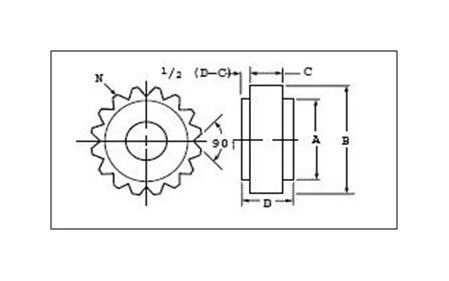
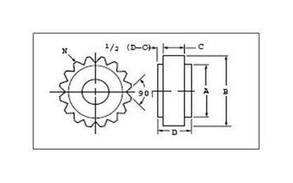
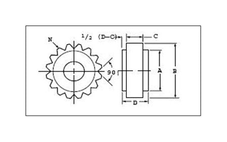
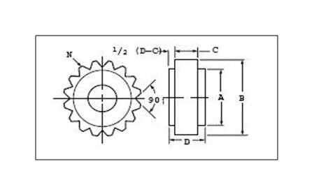
Product Specifications
Specifications Dimension B
19 1/2 in | 495 mm
Specifications Dimension C
3 in | 76 mm
Specifications Dimension D
1 7/32 in | 30 mm
Specifications Gear Dimension A
1.840 in | 46.7 mm
Specifications Gear Dimension B
2.329 in | 59.2 mm
Specifications Gear Dimension C
.685 in | 17.4 mm
Specifications Gear Dimension D
1.218 in | 30.9 mm
Specifications Gear Opening Shape
Square
Specifications Gear Opening Size
1/2 in
Specifications Gear Part Number
93208
Specifications Handle Nominal Length A
18 in | 458 mm
Specifications Handle Part Number
17901
Specifications Material
Cast Malleable Iron
Specifications Model
17
Specifications Number Of Teeth
20
Specifications Series
10
Specifications Standards
US Federal Specification GGG-W-653, Type I, Class 1
Specifications Weight
5 1/2 lb | 2.50 kg