Heavy Duty Model 21 Ratchet Wrench with 3/8 Inch Square Gear Opening
Heavy Duty Model 21 Ratchet Wrench with 3/8 Inch Square Gear Opening
SKU:SER-9b80b1
Durable Model 21 Ratchet Wrench with 3/8 Inch Square Gear Opening, meets US Federal Specification GGG-W-653
Regular price
$49.99
Regular price
Sale price
$49.99
Unit price
per
Delivery via Maden
Expect your order to arrive on time.
Secure Payments
All orders are processed through a secure, PCI-compliant checkout.



The Heavy Duty Model 21 Ratchet Wrench from the Series 20 lineup is crafted from durable cast malleable iron, ensuring longevity and reliability for heavy-duty applications. It features a remote reversing mechanism conveniently located at the end of the handle, providing ease of use and safety. The knurled knob allows for quick direction changes with just a half turn. With a 3/8 inch square gear opening and compliance with US Federal Specification GGG-W-653, Type I, Class 2, this wrench meets stringent industry standards and is ideal for institutional and government procurement needs.
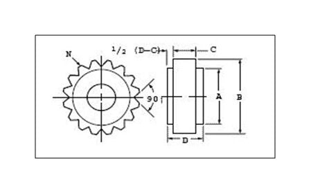
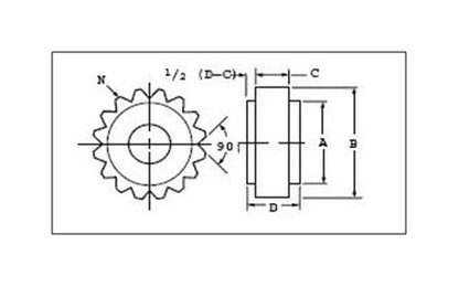
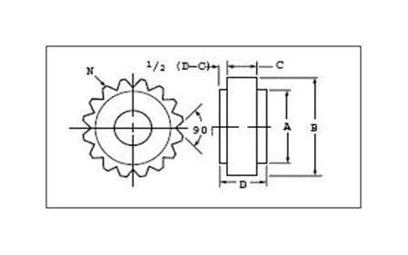
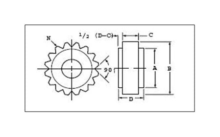
Product Specifications
Specifications Dimension B
8 3/16 in | 208 mm
Specifications Dimension C
1 9/16 in | 40 mm
Specifications Dimension D
13/16 in | 20 mm
Specifications Gear Dimension A
.928 in | 23.6 mm
Specifications Gear Dimension B
1.115 in | 28.3 mm
Specifications Gear Dimension C
.481 in | 12.2 mm
Specifications Gear Dimension D
.812 in | 20.6 mm
Specifications Gear Opening Shape
Square
Specifications Gear Opening Size
3/8 in
Specifications Gear Part Number
90606
Specifications Handle Nominal Length A
7 3/8 in | 188 mm
Specifications Handle Part Number
21901
Specifications Material
Cast Malleable Iron
Specifications Model
21
Specifications Number Of Teeth
16
Specifications Series
20
Specifications Standards
US Federal Specification GGG-W-653, Type I, Class 2
Specifications Weight
1 lb | 0.45 kg