Heavy Duty Model 23 Ratchet Wrench with 11/16in Gear Opening
Heavy Duty Model 23 Ratchet Wrench with 11/16in Gear Opening
SKU:SER-f8d3cd
Heavy Duty Model 23 Ratchet Wrench for industrial applications, meets US Federal Spec. GGG-W-653 standards.
Regular price
$49.99
Regular price
Sale price
$49.99
Unit price
per
Delivery via Maden
Expect your order to arrive on time.
Secure Payments
All orders are processed through a secure, PCI-compliant checkout.



The Heavy Duty Model 23 Ratchet Wrench from our Series 20 line is a robust and reliable tool designed for industrial applications. Crafted from cast malleable iron, it features a durable design suitable for heavy-duty use. The reversible control located at the end of the handle ensures ease of operation and maximum safety. Meeting US Federal Specification GGG-W-653, Type I, Class 2 standards, this wrench offers a wide range of gear openings and lengths, making it versatile for various tasks. Ideal for institutions and government agencies requiring quality tools for their operations.
Product Specifications
Specifications Dimension B
13 9/16 in | 345 mm
Specifications Dimension C
2 3/8 in | 60 mm
Specifications Dimension D
1 1/8 in | 28 mm
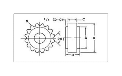
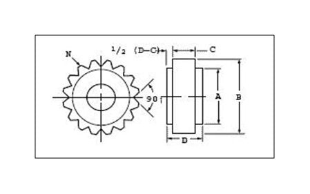
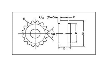
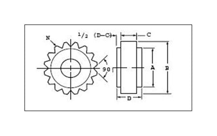
Specifications Gear Dimension A
1.420 in | 36.1 mm
Specifications Gear Dimension B
1.740 in | 44.2 mm
Specifications Gear Dimension C
.660 in | 16.8 mm
Specifications Gear Dimension D
1.133 in | 28.8 mm
Specifications Gear Opening Shape
Square
Specifications Gear Opening Size
11/16 in
Specifications Gear Part Number
92211
Specifications Handle Nominal Length A
12 3/8 in | 314 mm
Specifications Handle Part Number
23901
Specifications Material
Cast Malleable Iron
Specifications Model
23
Specifications Number Of Teeth
16
Specifications Series
20
Specifications Standards
US Federal Specification GGG-W-653, Type I, Class 2
Specifications Weight
3 1/2 lb | 1.59 kg