Heavy Duty Model 27 Ratchet Wrench with 38mm Square Gear Opening
Heavy Duty Model 27 Ratchet Wrench with 38mm Square Gear Opening
SKU:SER-b382ab
Heavy-duty Model 27 Ratchet Wrench for reliable and safe operations in heavy-duty applications, featuring a 38mm square gear opening.
Regular price
$69.99
Regular price
Sale price
$69.99
Unit price
per
Delivery via Maden
Expect your order to arrive on time.
Secure Payments
All orders are processed through a secure, PCI-compliant checkout.



The Model 27 Ratchet Wrench from the Series 20 line is a heavy-duty tool crafted from durable cast malleable iron, perfect for intensive applications. It features a 38mm square gear opening with enclosed replaceable gears for longevity. With a bolt-through design and conforming to US Federal Specification GGG-W-653, Type I, Class 2, this wrench ensures utmost reliability and safety. The reversing control at the handle end allows for convenient operation, making it a versatile and robust choice for various tasks.
Product Specifications
Specifications Dimension B
26 9/16 in | 675 mm
Specifications Dimension C
3 3/4 in | 95 mm
Specifications Dimension D
1 3/8 in | 35 mm
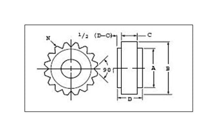
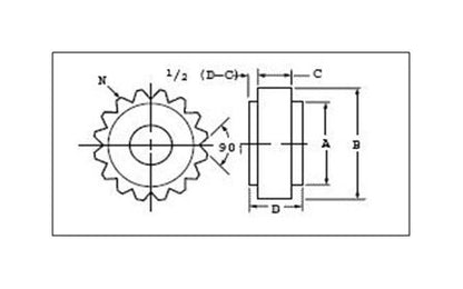
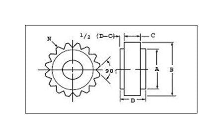
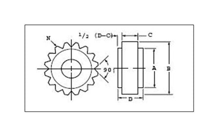
Specifications Gear Dimension A
2.489 in | 63.2 mm
Specifications Gear Dimension B
2.935 in | 74.5 mm
Specifications Gear Dimension C
.801 in | 20.3 mm
Specifications Gear Dimension D
1.385 in | 35.2 mm
Specifications Gear Opening Shape
Square
Specifications Gear Opening Size
38 mm
Specifications Gear Part Number
M4238
Specifications Handle Nominal Length A
24 5/8 in | 625 mm
Specifications Handle Part Number
27901
Specifications Material
Cast Malleable Iron
Specifications Model
27
Specifications Number Of Teeth
20
Specifications Series
20
Specifications Standards
US Federal Specification GGG-W-653, Type I, Class 2
Specifications Weight
12 lb | 5.4 kg