Hexagonal Gear Ratcheting Crank Wrench - Model 103
Hexagonal Gear Ratcheting Crank Wrench - Model 103
SKU:RAT-d961da
Durable Model 103 Ratcheting Crank Wrench for precise machinery adjustments with 7/8 in hexagonal gear opening and 20 teeth.
Regular price
$59.99
Regular price
Sale price
$59.99
Unit price
per
Delivery via Maden
Expect your order to arrive on time.
Secure Payments
All orders are processed through a secure, PCI-compliant checkout.



The Model 103 Ratcheting Crank Wrench features a durable fixed steel handle, 7/8 in hexagonal gear opening with 20 teeth for precise adjustments. Made in the USA, it allows for cross feed, rise and fall, gib and quill adjustments. Reversing control enhances safety and convenience, meeting federal procurement standards and FAR compliance factors.
Product Specifications
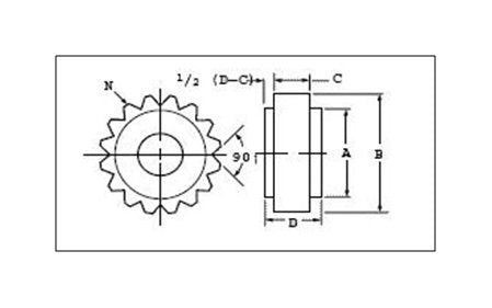
Specifications Gear Dimension A
1.840 in | 46.7 mm
Specifications Gear Dimension B
2.329 in | 59.2 mm
Specifications Gear Dimension C
.504 in | 12.8 mm
Specifications Gear Dimension D
.885 in | 22.5 mm
Specifications Gear Opening Shape
Hexagonal
Specifications Gear Opening Size
7/8 in
Specifications Gear Part Number
L3314
Specifications Handle Nominal Length A
12 in | 305 mm
Specifications Handle Part Number
829L1
Specifications Model
103
Specifications Number Of Teeth
20
Specifications Weight
2 1/4 lb | 1.02 kg
Specifications Wrench Handle Dimension A
1 3/32 in | 27.8 mm
Specifications Wrench Handle Dimension B
3 9/16 in | 90.5 mm
Specifications Wrench Handle Length
Long (103)
Specifications Wrench Handle Material
Steel
Specifications Wrench Handle Type
Fixed