High-Pressure 2-Way Ball Valve
High-Pressure 2-Way Ball Valve
SKU:ACC-f3ec86
High-pressure ball valve for precise fluid control in industrial applications. Sizes 1/2" to 2", pressure up to 6000 psi.
Regular price
$149.99
Regular price
Sale price
$149.99
Unit price
per
Delivery via Maden
Expect your order to arrive on time.
Secure Payments
All orders are processed through a secure, PCI-compliant checkout.

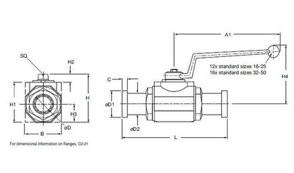
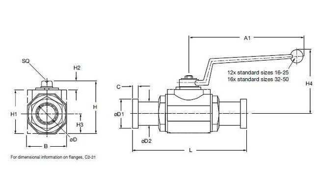
Experience superior fluid control with our High-Pressure 2-Way Ball Valve. Available in sizes ranging from 1/2" to 2" with full port design, this valve features carbon steel or stainless steel housings suitable for operating pressures up to 6000 psi. With a temperature range from 14 °F to 176 °F, extended capabilities to -40 °F to 392 °F are achievable with special materials. The valve's durable construction and precision engineering make it a reliable choice for demanding applications in industrial settings.
Product Specifications
Dimensions Connection Size
F3
Dimensions Diameter D
0.98 in | 25 mm
Dimensions Diameter D1
1.75 in | 44.45 mm
Dimensions Diameter D2
1.50 in | 38 mm
Dimensions Dimension A
7.20 in | 183 mm
Dimensions Dimension B
2.24 in | 57 mm
Dimensions Dimension C
0.31 in | 8 mm
Dimensions Dimension H
3.23 in | 82 mm
Dimensions Dimension H1
2.52 in | 64 mm
Dimensions Dimension H2
0.43 in | 11 mm
Dimensions Dimension H3
1.12 in | 28.5 mm
Dimensions Dimension H4
3.74 in | 95 mm
Dimensions Dimension L
6.95 in | 176.5 mm
Dimensions Dimension Sq
0.55 in | 14 mm
Dimensions Nominal Flange Size
1 in
Specifications Bun
EA
Specifications Connection Standard
Standard Pressure Series, Code 61 SAE J518 Four Bolt Split Flange Type
Specifications Connection Type
SAE
Specifications Division
ACCESSORIES
Specifications Flange Dash Size
-16
Specifications Flow Direction
2-Way
Specifications Handle Codes
Straight Aluminum
Specifications Housing Surface Plating
Zinc Plated
Specifications Housing Type
Block Housing
Specifications Material Ball Seal
Polyacetal (Standard)
Specifications Material Body
Carbon Steel
Specifications Material Handle
Aluminum
Specifications Material Housing
Carbon Steel
Specifications Material O Ring
Fluoroelastomer (FPM) (Standard)
Specifications Material Spindle And Ball
Stainless Steel
Specifications Material Split Flange
Without Split Flanges
Specifications Model Code Description
KHB-25F3-1314X-11X-A
Specifications Mounting Type
Flange
Specifications Note For Maximum Pressure
Dependent upon valve and seal materials selected.
Specifications Operating Pressure Max
5000 psi
Specifications Operating Temperature Max
176 ºF
Specifications Operating Temperature Min
14 ºF
Specifications Product
BALL VALVES
Specifications Product Group Family
BALL VALVES-HIGH PRESSURE (?3000 PSI)
Specifications Valve Size
25