High-Pressure 2-Way Ball Valve
High-Pressure 2-Way Ball Valve
SKU:ACC-f004f7
Enhance industrial operations with our High-Pressure 2-Way Ball Valve feat. Carbon Steel/Stainless Steel housing, operating up to 6000 psi & 176 °F temp range.
Regular price
$149.99
Regular price
Sale price
$149.99
Unit price
per
Delivery via Maden
Expect your order to arrive on time.
Secure Payments
All orders are processed through a secure, PCI-compliant checkout.

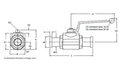
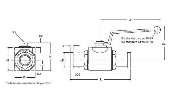
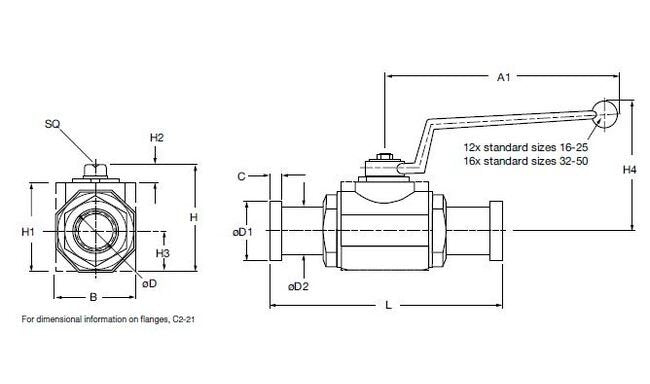
Upgrade your industrial operations with our High-Pressure 2-Way Ball Valve. Available in sizes ranging from 1/2" to 2", this valve features a full port design with Carbon Steel or Stainless Steel housings, ensuring durability and reliability. With an operating pressure of up to 6000 psi and a temperature range of 14 °F to 176 °F, this valve is designed to perform seamlessly under high-stress conditions. The valve's precision engineering, sturdy forged housing, and Zinc Plated carbon steel housing surface guarantee optimal performance in demanding environments.
Product Specifications
Dimensions Connection Size
F6
Dimensions Diameter D
1.89 in | 48 mm
Dimensions Diameter D1
3.13 in | 79.4 mm
Dimensions Diameter D2
2.64 in | 67 mm
Dimensions Dimension A
12.01 in | 305 mm
Dimensions Dimension B
4.13 in | 105 mm
Dimensions Dimension C
0.50 in | 12.6 mm
Dimensions Dimension H
5.18 in | 131.5 mm
Dimensions Dimension H1
4.43 in | 112.5 mm
Dimensions Dimension H2
0.47 in | 12 mm
Dimensions Dimension H3
2.07 in | 52.5 mm
Dimensions Dimension H4
6.46 in | 164 mm
Dimensions Dimension L
12.4 in | 315 mm
Dimensions Dimension Sq
0.67 in | 17 mm
Dimensions Nominal Flange Size
2 in
Specifications Bun
EA
Specifications Connection Standard
High Pressure Series, Code 62 SAE J518 Four Bolt Split Flange Type
Specifications Connection Type
SAE
Specifications Division
ACCESSORIES
Specifications Flange Dash Size
-32
Specifications Flow Direction
2-Way
Specifications Handle Codes
offset Steel
Specifications Housing Surface Plating
Zinc Plated
Specifications Housing Type
Forged Housing
Specifications Material Ball Seal
Polyacetal (Standard)
Specifications Material Body
Carbon Steel
Specifications Material Handle
steel
Specifications Material Housing
Carbon Steel
Specifications Material O Ring
Fluoroelastomer (FPM) (Standard)
Specifications Material Spindle And Ball
Stainless Steel
Specifications Material Split Flange
Without Split Flanges
Specifications Model Code Description
KHM-50F6-1314X-16X-A
Specifications Mounting Type
Flange
Specifications Note For Maximum Pressure
Dependent upon valve and seal materials selected.
Specifications Operating Pressure Max
6000 psi
Specifications Operating Temperature Max
176 ºF
Specifications Operating Temperature Min
14 ºF
Specifications Product
BALL VALVES
Specifications Product Group Family
BALL VALVES-HIGH PRESSURE (?3000 PSI)
Specifications Valve Size
50