High Pressure 2-Way Ball Valve, Carbon Steel, 3000 psi
High Pressure 2-Way Ball Valve, Carbon Steel, 3000 psi
SKU:ACC-a75fc5
Achieve precision fluid control with our High Pressure 2-Way Ball Valve. Durable carbon steel, 3000 psi, wide temperature range. Ideal for industrial and high-pressure systems.
Regular price
$249.99
Regular price
Sale price
$249.99
Unit price
per
Delivery via Maden
Expect your order to arrive on time.
Secure Payments
All orders are processed through a secure, PCI-compliant checkout.

Enhance fluid control with our High Pressure 2-Way Ball Valve. Crafted from durable carbon steel, this valve ensures reliable performance in demanding environments. With a full port design and an operating pressure of 3000 psi, it offers precision and efficiency. The valve's temperature range of 14 ºF to 176 ºF, with the option for an extended range down to -40 ºF, caters to a variety of applications. The forged housing, chrome-plated ball, and zinc-plated spindle guarantee longevity and smooth operation. Whether in industrial settings or high-pressure systems, this valve is a trusted choice for seamless flow control.
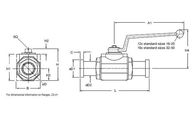
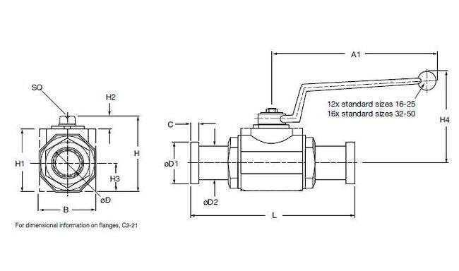
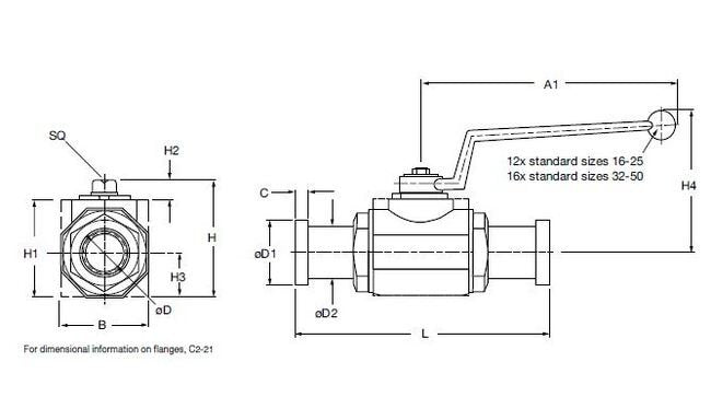
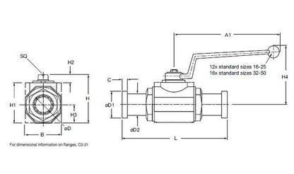
Product Specifications
Dimensions Connection Size
F3
Dimensions Diameter D
1.50 in | 38 mm
Dimensions Diameter D1
2.38 in | 60.35 mm
Dimensions Diameter D2
1.97 in | 50 mm
Dimensions Dimension A
12.01 in | 305 mm
Dimensions Dimension B
3.35 in | 85 mm
Dimensions Dimension C
0.31 in | 8 mm
Dimensions Dimension H
4.49 in | 114 mm
Dimensions Dimension H1
3.78 in | 96 mm
Dimensions Dimension H2
0.47 in | 12 mm
Dimensions Dimension H3
1.67 in | 42.5 mm
Dimensions Dimension H4
6.18 in | 157 mm
Dimensions Dimension L
9.09 in | 231 mm
Dimensions Dimension Sq
0.67 in | 17 mm
Dimensions Nominal Flange Size
1-1/2 in
Specifications Ball Plating
Chrome Plated
Specifications Bun
EA
Specifications Connection Standard
Standard Pressure Series, Code 61 SAE J518 Four Bolt Split Flange Type
Specifications Connection Type
SAE
Specifications Division
ACCESSORIES
Specifications Flange Dash Size
-24
Specifications Flow Direction
2-Way
Specifications Handle Codes
offset Steel
Specifications Housing Surface Plating
Zinc Plated
Specifications Housing Type
Forged Housing
Specifications Locking Device Option
Locking Device
Specifications Material Ball Seal
Polyacetal (Standard)
Specifications Material Body
Carbon Steel
Specifications Material Handle
steel
Specifications Material Housing
Carbon Steel
Specifications Material O Ring
Nitrile Rubber (NBR) (Buna-N)
Specifications Material Spindle And Ball
Carbon Steel
Specifications Material Split Flange
Without Split Flanges
Specifications Model Code Description
KHM-40F3-1112X-16X-A-L
Specifications Mounting Type
Flange
Specifications Note For Maximum Pressure
Dependent upon valve and seal materials selected.
Specifications Operating Pressure Max
3000 psi
Specifications Operating Temperature Max
176 ºF
Specifications Operating Temperature Min
14 ºF
Specifications Valve Size
40