High-Pressure 2-Way Ball Valve, Carbon Steel, 5000 psi
High-Pressure 2-Way Ball Valve, Carbon Steel, 5000 psi
SKU:ACC-ec01ee
Durable Carbon Steel 2-Way Ball Valve, 5000 psi, 14-176 °F
Regular price
$149.99
Regular price
Sale price
$149.99
Unit price
per
Delivery via Maden
Expect your order to arrive on time.
Secure Payments
All orders are processed through a secure, PCI-compliant checkout.

Upgrade your industrial operations with our High-Pressure 2-Way Ball Valve designed for reliability and efficiency. Constructed from Carbon Steel, this valve ensures durability and optimal performance in demanding environments. With an operating pressure of 5000 psi and standard materials that allow a temperature range of 14 °F to 176 °F, this valve is a versatile and robust solution for high-pressure applications.
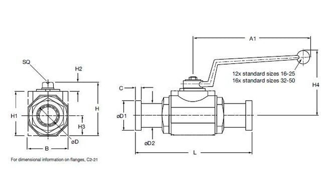
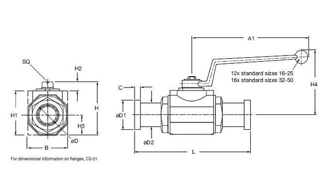
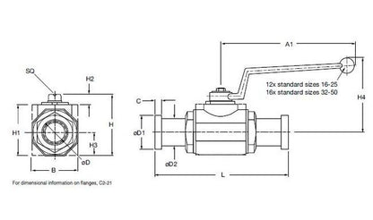
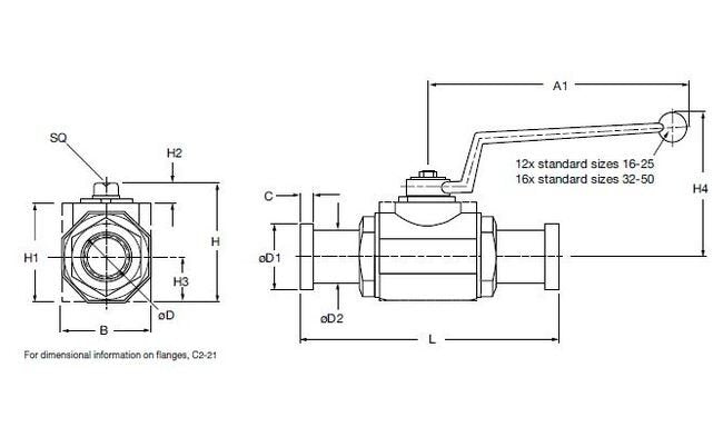
Product Specifications
Dimensions Connection Size
F3
Dimensions Diameter D
0.75 in | 19 mm
Dimensions Diameter D1
1.50 in | 38.1 mm
Dimensions Diameter D2
1.24 in | 31.5 mm
Dimensions Dimension A
7.20 in | 183 mm
Dimensions Dimension B
1.89 in | 48 mm
Dimensions Dimension C
0.27 in | 6.8 mm
Dimensions Dimension H
2.95 in | 75 mm
Dimensions Dimension H1
2.24 in | 57 mm
Dimensions Dimension H2
0.43 in | 11 mm
Dimensions Dimension H3
0.96 in | 24.5 mm
Dimensions Dimension H4
3.62 in | 92 mm
Dimensions Dimension L
6.69 in | 170 mm
Dimensions Dimension Sq
0.55 in | 14 mm
Dimensions Nominal Flange Size
3/4 in
Specifications Ball Plating
Chrome Plated
Specifications Bun
EA
Specifications Connection Standard
Standard Pressure Series, Code 61 SAE J518 Four Bolt Split Flange Type
Specifications Connection Type
SAE
Specifications Division
ACCESSORIES
Specifications Flange Dash Size
-12
Specifications Flow Direction
2-Way
Specifications Handle Codes
Straight Aluminum
Specifications Housing Surface Plating
Zinc Plated
Specifications Housing Type
Block Housing
Specifications Locking Device Option
Locking Device
Specifications Material Ball Seal
Polyacetal (Standard)
Specifications Material Body
Carbon Steel
Specifications Material Handle
Aluminum
Specifications Material Housing
Carbon Steel
Specifications Material O Ring
Fluoroelastomer (FPM) (Standard)
Specifications Material Spindle And Ball
Carbon Steel
Specifications Material Split Flange
Without Split Flanges
Specifications Model Code Description
KHB-20F3-1114X-11X-A-L
Specifications Mounting Type
Flange
Specifications Note For Maximum Pressure
Dependent upon valve and seal materials selected.
Specifications Operating Pressure Max
5000 psi
Specifications Operating Temperature Max
176 ºF
Specifications Operating Temperature Min
14 ºF
Specifications Valve Size
20