High Pressure 2-Way Ball Valve, Carbon Steel, 6000 PSI
High Pressure 2-Way Ball Valve, Carbon Steel, 6000 PSI
SKU:ACC-ba6390
Enhance your operations with our High Pressure Carbon Steel Ball Valve, ideal for industrial systems up to 6000 psi. Durable and precise, perfect for critical applications.
Regular price
$299.99
Regular price
Sale price
$299.99
Unit price
per
Delivery via Maden
Expect your order to arrive on time.
Secure Payments
All orders are processed through a secure, PCI-compliant checkout.

Upgrade your industrial operations with our High Pressure 2-Way Ball Valve. Crafted from Carbon Steel featuring a full port design, this valve ensures reliable performance at an operating pressure of up to 6000 psi. With a temperature range from 14°F to 176°F, it offers durability and flexibility. The forged housing with chrome-plated ball ensures long-lasting strength and efficient flow control. Ideal for high-pressure systems requiring precision and safety, this valve is a top choice for demanding applications.
Product Specifications
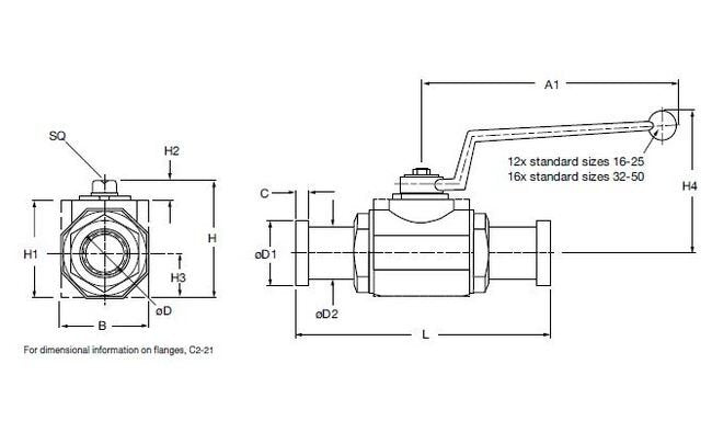
Dimensions Connection Size
F6
Dimensions Diameter D
1.89 in | 48 mm
Dimensions Diameter D1
3.13 in | 79.4 mm
Dimensions Diameter D2
2.64 in | 67 mm
Dimensions Dimension A
12.01 in | 305 mm
Dimensions Dimension B
4.13 in | 105 mm
Dimensions Dimension C
0.50 in | 12.6 mm
Dimensions Dimension H
5.18 in | 131.5 mm
Dimensions Dimension H1
4.43 in | 112.5 mm
Dimensions Dimension H2
0.47 in | 12 mm
Dimensions Dimension H3
2.07 in | 52.5 mm
Dimensions Dimension H4
6.46 in | 164 mm
Dimensions Dimension L
12.4 in | 315 mm
Dimensions Dimension Sq
0.67 in | 17 mm
Dimensions Nominal Flange Size
2 in
Specifications Ball Plating
Chrome Plated
Specifications Bun
EA
Specifications Connection Standard
High Pressure Series, Code 62 SAE J518 Four Bolt Split Flange Type
Specifications Connection Type
SAE
Specifications Division
ACCESSORIES
Specifications Flange Dash Size
-32
Specifications Flow Direction
2-Way
Specifications Handle Codes
offset Steel
Specifications Housing Surface Plating
Zinc Plated
Specifications Housing Type
Forged Housing
Specifications Locking Device Option
Locking Device with 5 amp Limit Switch, Available for sizes 20-50 (Not available with PTFE Spindle Seals)
Specifications Material Ball Seal
Polyacetal (Standard)
Specifications Material Body
Carbon Steel
Specifications Material Handle
steel
Specifications Material Housing
Carbon Steel
Specifications Material O Ring
Fluoroelastomer (FPM) (Standard)
Specifications Material Spindle And Ball
Carbon Steel
Specifications Material Split Flange
Without Split Flanges
Specifications Model Code Description
KHM-50F6-1114X-16X-A-LS
Specifications Mounting Type
Flange
Specifications Note For Maximum Pressure
Dependent upon valve and seal materials selected.
Specifications Operating Pressure Max
6000 psi
Specifications Operating Temperature Max
176 ºF
Specifications Operating Temperature Min
14 ºF
Specifications Valve Size
50