High-Pressure 2-Way Ball Valve, Steel Body, 3000 psi
High-Pressure 2-Way Ball Valve, Steel Body, 3000 psi
SKU:ACC-f43cf1
Enhance fluid control systems with our High-Pressure 2-Way Ball Valve. Durable, efficient, and reliable under varying conditions.
Regular price
$179.99
Regular price
Sale price
$179.99
Unit price
per
Delivery via Maden
Expect your order to arrive on time.
Secure Payments
All orders are processed through a secure, PCI-compliant checkout.

Upgrade your fluid control system with our High-Pressure 2-Way Ball Valve featuring a full port design for efficient flow. This valve, with Carbon Steel or Stainless Steel housing options, operates up to 3000 psi depending on the chosen seal materials. With a temperature range of 14 ºF to 176 ºF, extendable to -40 ºF to 392 ºF, this valve ensures reliable performance in diverse conditions. The forged housing, chrome-plated ball, and zinc-plated spindle guarantee durability and smooth operation.
Product Specifications
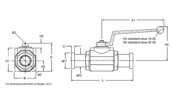
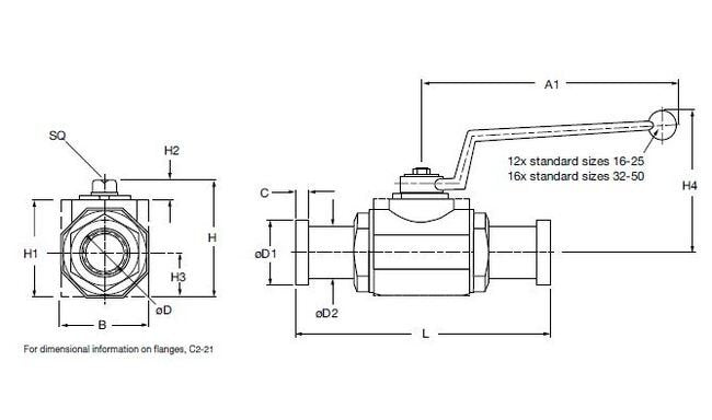
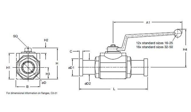
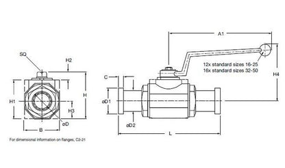
Dimensions Connection Size
F3
Dimensions Diameter D
1.50 in | 38 mm
Dimensions Diameter D1
2.38 in | 60.35 mm
Dimensions Diameter D2
1.97 in | 50 mm
Dimensions Dimension A
12.01 in | 305 mm
Dimensions Dimension B
3.35 in | 85 mm
Dimensions Dimension C
0.31 in | 8 mm
Dimensions Dimension H
4.49 in | 114 mm
Dimensions Dimension H1
3.78 in | 96 mm
Dimensions Dimension H2
0.47 in | 12 mm
Dimensions Dimension H3
1.67 in | 42.5 mm
Dimensions Dimension H4
6.18 in | 157 mm
Dimensions Dimension L
9.09 in | 231 mm
Dimensions Dimension Sq
0.67 in | 17 mm
Dimensions Nominal Flange Size
1-1/2 in
Specifications Ball Plating
Chrome Plated
Specifications Bun
EA
Specifications Connection Standard
Standard Pressure Series, Code 61 SAE J518 Four Bolt Split Flange Type
Specifications Connection Type
SAE
Specifications Flange Dash Size
-24
Specifications Flow Direction
2-Way
Specifications Handle Codes
offset Steel
Specifications Housing Surface Plating
Zinc Plated
Specifications Housing Type
Forged Housing
Specifications Material Ball Seal
Polyacetal (Standard)
Specifications Material Body
Carbon Steel
Specifications Material Handle
steel
Specifications Material Housing
Carbon Steel
Specifications Material O Ring
Fluoroelastomer (FPM) (Standard)
Specifications Material Spindle And Ball
Carbon Steel
Specifications Model Code Description
KHM-40F3-11141-06X-A
Specifications Mounting Type
Flange
Specifications Note For Maximum Pressure
Dependent upon valve and seal materials selected.
Specifications Operating Pressure Max
3000 psi
Specifications Operating Temperature Max
176 ºF
Specifications Operating Temperature Min
14 ºF
Specifications Spindle Plating
Zinc Plated
Specifications Type
Ball Valve
Specifications Valve Operator
Handle
Specifications Valve Size
40