High Pressure 2-Way Ball Valves
High Pressure 2-Way Ball Valves
SKU:ACC-53c14c
Reliable High Pressure 2-Way Ball Valves for durable flow control in industrial settings.
Regular price
$89.99
Regular price
Sale price
$89.99
Unit price
per
Delivery via Maden
Expect your order to arrive on time.
Secure Payments
All orders are processed through a secure, PCI-compliant checkout.

Experience reliable flow control with our High Pressure 2-Way Ball Valves. Available in carbon steel or stainless steel, with an operating pressure up to 6000 psi, these valves ensure durability and performance. From -40°F to 392°F temperature range options, our valves are versatile for various applications. The forged housing and stainless steel components guarantee lasting quality and secure operations, meeting the needs of demanding industrial environments.
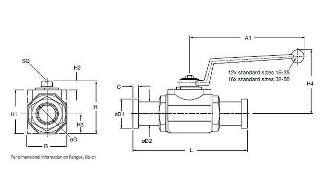
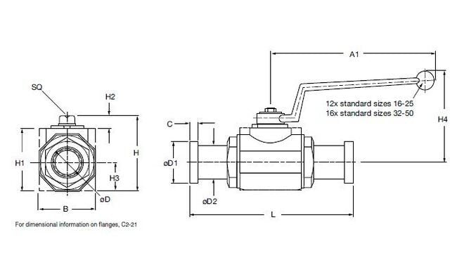
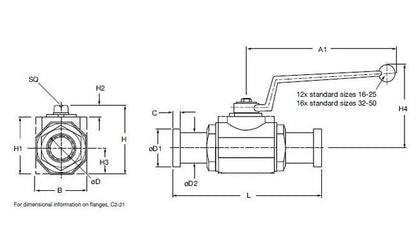
Product Specifications
Dimensions Connection Size
F6
Dimensions Diameter D
1.50 in | 38 mm
Dimensions Diameter D1
2.50 in | 63.5 mm
Dimensions Diameter D2
2.01 in | 51 mm
Dimensions Dimension A
12.01 in | 305 mm
Dimensions Dimension B
3.35 in | 85 mm
Dimensions Dimension C
0.50 in | 12.6 mm
Dimensions Dimension H
4.49 in | 114 mm
Dimensions Dimension H1
3.78 in | 96 mm
Dimensions Dimension H2
0.47 in | 12 mm
Dimensions Dimension H3
1.67 in | 42.5 mm
Dimensions Dimension H4
6.18 in | 157 mm
Dimensions Dimension L
11.06 in | 281 mm
Dimensions Dimension Sq
0.67 in | 17 mm
Dimensions Nominal Flange Size
1-1/2 in
Specifications Bun
EA
Specifications Connection Standard
High Pressure Series, Code 62 SAE J518 Four Bolt Split Flange Type
Specifications Connection Type
SAE
Specifications Division
ACCESSORIES
Specifications Flange Dash Size
-24
Specifications Flow Direction
2-Way
Specifications Handle Codes
offset Steel
Specifications Housing Surface Plating
Zinc Plated
Specifications Housing Type
Forged Housing
Specifications Locking Device Option
Locking Device
Specifications Material Ball Seal
Polyacetal (Standard)
Specifications Material Body
Carbon Steel
Specifications Material Handle
steel
Specifications Material Housing
Carbon Steel
Specifications Material O Ring
Fluoroelastomer (FPM) (Standard)
Specifications Material Spindle And Ball
Stainless Steel
Specifications Material Split Flange
Without Split Flanges
Specifications Model Code Description
KHM-40F6-1314X-16X-A-L
Specifications Mounting Type
Flange
Specifications Note For Maximum Pressure
Dependent upon valve and seal materials selected.
Specifications Operating Pressure Max
6000 psi
Specifications Operating Temperature Max
176 ºF
Specifications Operating Temperature Min
14 ºF
Specifications Product
BALL VALVES
Specifications Valve Size
40