High-Pressure 2-Way Ball Valves, Carbon Steel/Stainless Steel, 1/2"-2"
High-Pressure 2-Way Ball Valves, Carbon Steel/Stainless Steel, 1/2"-2"
SKU:ACC-106665
High-Pressure 2-Way Ball Valves for industrial use, offering control up to 6000 psi with durable design and broad temperature range.
Regular price
$249.99
Regular price
Sale price
$249.99
Unit price
per
Delivery via Maden
Expect your order to arrive on time.
Secure Payments
All orders are processed through a secure, PCI-compliant checkout.

Experience exceptional control and durability with our High-Pressure 2-Way Ball Valves. Available in Carbon Steel or Stainless Steel, these valves offer a full port design suitable for operating pressures up to 6000 psi (pressure varies based on valve size and seal materials). With a temperature range from 14 ºF to 176 ºF (extended range up to 392 ºF possible), these valves are versatile and reliable. Featuring a forged housing, chrome-plated ball, and zinc-plated components, these valves ensure longevity and secure performance in demanding applications. Suitable for industrial and institutional use, these valves meet stringent quality standards.
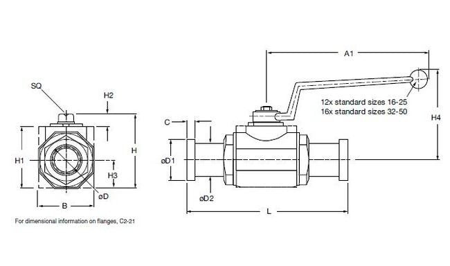
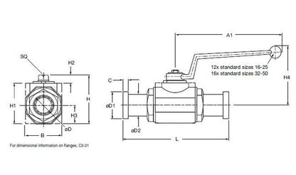
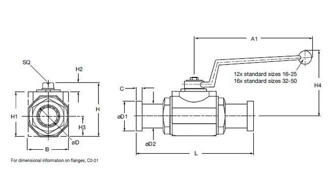
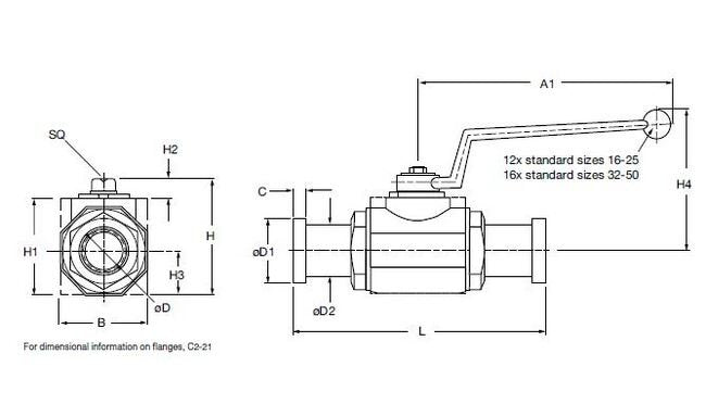
Product Specifications
Dimensions Connection Size
F3
Dimensions Diameter D
1.50 in | 38 mm
Dimensions Diameter D1
2.38 in | 60.35 mm
Dimensions Diameter D2
1.97 in | 50 mm
Dimensions Dimension A
12.01 in | 305 mm
Dimensions Dimension B
3.35 in | 85 mm
Dimensions Dimension C
0.31 in | 8 mm
Dimensions Dimension H
4.49 in | 114 mm
Dimensions Dimension H1
3.78 in | 96 mm
Dimensions Dimension H2
0.47 in | 12 mm
Dimensions Dimension H3
1.67 in | 42.5 mm
Dimensions Dimension H4
6.18 in | 157 mm
Dimensions Dimension L
9.09 in | 231 mm
Dimensions Dimension Sq
0.67 in | 17 mm
Dimensions Nominal Flange Size
1-1/2 in
Specifications Ball Plating
Chrome Plated
Specifications Bun
EA
Specifications Connection Standard
Standard Pressure Series, Code 61 SAE J518 Four Bolt Split Flange Type
Specifications Connection Type
SAE
Specifications Division
ACCESSORIES
Specifications Flange Dash Size
-24
Specifications Flow Direction
2-Way
Specifications Handle Codes
Offset Aluminum
Specifications Housing Surface Plating
Zinc Plated
Specifications Housing Type
Forged Housing
Specifications Material Ball Seal
Polyacetal (Standard)
Specifications Material Body
Carbon Steel
Specifications Material Handle
Aluminum
Specifications Material Housing
Carbon Steel
Specifications Material O Ring
Fluoroelastomer (FPM) (Standard)
Specifications Material Spindle And Ball
Carbon Steel
Specifications Material Split Flange
Without Split Flanges
Specifications Model Code Description
KHM-40F3-1114X-12X-A
Specifications Mounting Type
Flange
Specifications Note For Maximum Pressure
Dependent upon valve and seal materials selected.
Specifications Operating Pressure Max
3000 psi
Specifications Operating Temperature Max
176 ºF
Specifications Operating Temperature Min
14 ºF
Specifications Product
BALL VALVES
Specifications Valve Size
40