High Pressure Modular Stacking Filter - DFZ Series
High Pressure Modular Stacking Filter - DFZ Series
SKU:HYD-40a55d
Premium high-pressure filter for hydraulic and lube systems, with modular stacking design and 4568 psi maximum pressure rating.
Regular price
$299.99
Regular price
Sale price
$299.99
Unit price
per
Delivery via Maden
Expect your order to arrive on time.
Secure Payments
All orders are processed through a secure, PCI-compliant checkout.




The Modular Stacking Filter - DFZ Series (4568 PSI) is a top-of-the-line pressure filter designed for high-pressure hydraulic systems. With a maximum allowable housing working pressure rating of 4568 psi, this filter ensures optimal performance for hydraulic and lube systems in various industries, including agricultural, automotive, construction, industrial, power, railways, steel, and heavy industry. The filter features a modular stacking design, rugged steel construction, and a 5µm filter rating, providing reliable filtration for fluid temperatures ranging from -10°C to 100°C. Additionally, the filter is equipped with a Nitrile Rubber seal for enhanced durability and is compatible with a wide range of fluids, making it a versatile and efficient choice for demanding applications.
Product Specifications
Application 0
AgriculturalAutomotiveConstructionIndustrialPower RailwaysGenerationSteel / HeavyIndustry
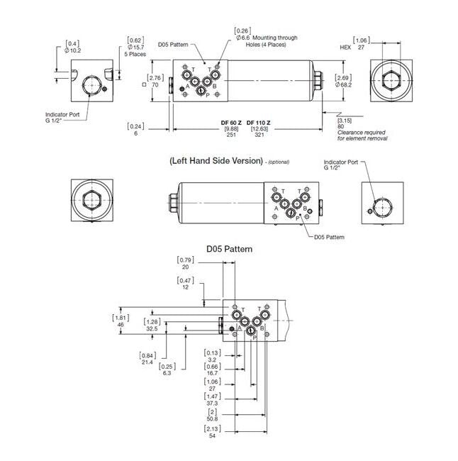
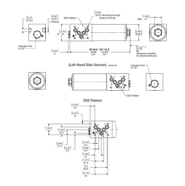
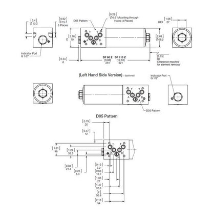
Dimensions Diameter D1
2.69 in | 68.2 mm
Dimensions Dimension B1
2.76 in | 70 mm
Dimensions Dimension H1
12.63 in | 321 mm
Features 0
A visual (pop-up), electrical, electrical/visual (lamp) differential type clogging indicator can be installed.The DFZ filter can be ordered with the bowl on the left or the right side for easy element change out.The DFZ filter is available in two mounting patterns to fit different hydraulic manifolds: ANSI/B93.7M-D03 / Cetop R35(was B93.7-D01) DF 30 ZANSI/B93.7M-D05/ Cetop R35(was V93.7-D02) includes fifth port for optional tank connection DF 60 Z or DF 110ZFilter does not contain a bypass valve. Only available with non bypass, high collapse elements required.
Specifications Bun
EA
Specifications Division
HYDRAULIC AND LUBE FILTERS
Specifications Filter Type
Modular Stacking
Specifications Indication Type
A = No indicator, plugged port
Specifications Model Code Description
DFZBH/HC110QC5A1.0
Specifications Port Configuration
Stacking
Specifications Product
FILTERS-HIGH PRESSURE (>3000PSI)
Specifications Product Group Family
FILTERS-HIGH PRESSURE (ò3000 PSI)
Specifications Seals
Nitrile Rubber (NBR)
Specifications Size
110
Specifications Type
Pressure Filter
Specifications Weight
15 lb
Technical Specifications Burst Housing Pressure Rating
1260 bar | 18270 psi
Technical Specifications Construction Material For Bowl
Steel
Technical Specifications Construction Material For Head
Steel
Technical Specifications Element Collapse Pressure Rating
210 bar | 3045 psi
Technical Specifications Fatigue Housing Pressure Rating At 1 Mi
315 bar | 4568 psi
Technical Specifications Filter Rating
5 µm
Technical Specifications Flow Capacity
10 gpm | 38 L/min
Technical Specifications Fluid Compatibility
Compatible with all hydrocarbon based, synthetic, water glycol, oil/water emulsion, and high water based fluids when the appropriate seals are selected.
Technical Specifications Maximum Allowable Housing Working Press
315 bar | 4568 psi
Technical Specifications Maximum Fluid Temperature
100 ºC | 212 ºF
Technical Specifications Minimum Fluid Temperature
-10 ºC | 14 ºF