High-Pressure Modular Stacking Filter - DFZ Series
High-Pressure Modular Stacking Filter - DFZ Series
SKU:HYD-232cf7
High-Pressure Modular Stacking Filter - DFZ Series: Designed for robust filtration in high-pressure hydraulic and lube systems. Reliable performance at pressures exceeding 4568 PSI.
Regular price
$199.99
Regular price
Sale price
$199.99
Unit price
per
Delivery via Maden
Expect your order to arrive on time.
Secure Payments
All orders are processed through a secure, PCI-compliant checkout.





The High-Pressure Modular Stacking Filter from the DFZ Series is designed to meet the stringent filtration needs of hydraulic and lube systems operating at pressures exceeding 4568 PSI. Constructed with durable steel materials, this filter boasts a maximum housing working pressure rating of 4568 psi, ensuring reliable performance in demanding industrial applications. The filter features a modular stacking design with a flow capacity of 6 gpm, making it ideal for high-pressure fluid systems. With compatibility across various fluid types, including hydrocarbon-based, synthetic, and water-based fluids, this filter guarantees efficient filtration and system protection. Additionally, it offers optional differential type clogging indicators for easy maintenance and is suitable for a wide range of industries, from agriculture to heavy machinery.
Product Specifications
Application 0
AgriculturalAutomotiveConstructionIndustrialPower RailwaysGenerationSteel / HeavyIndustry
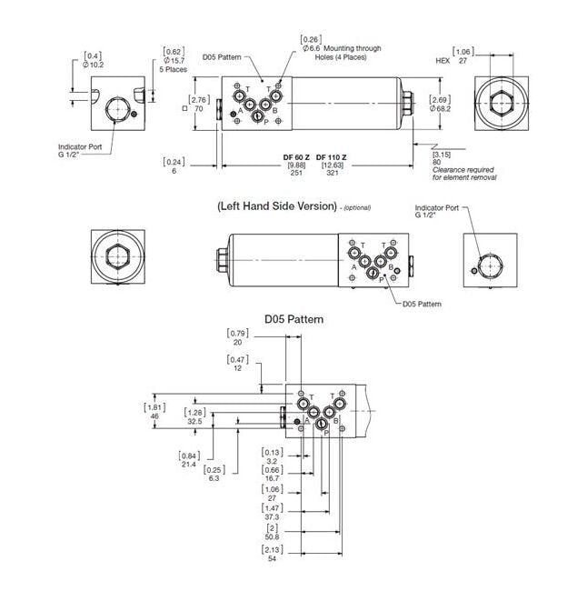
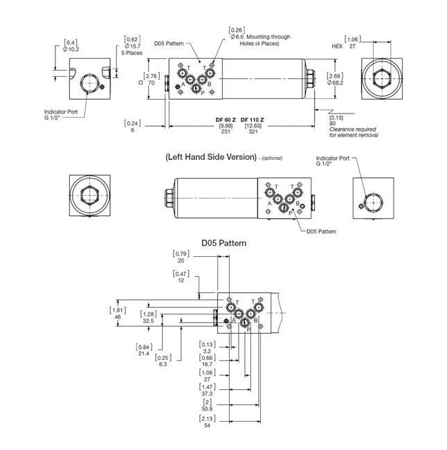
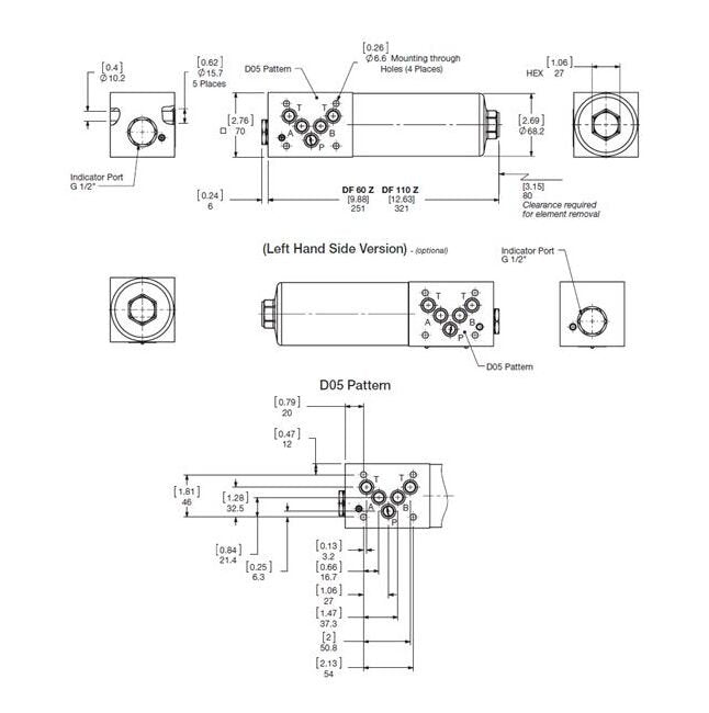
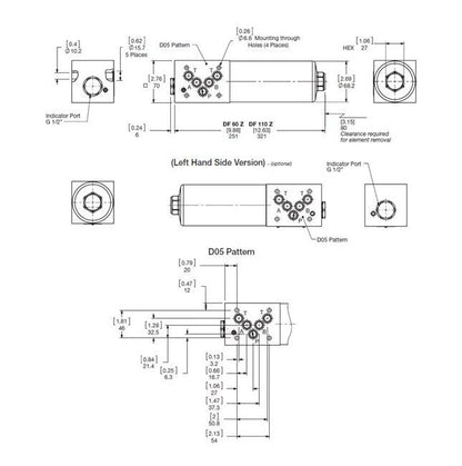
Dimensions Diameter D1
1.81 in | 46 mm
Dimensions Dimension B1
1.89 in | 48 mm
Dimensions Dimension H1
8.66 in | 220 mm
Features 0
A visual (pop-up), electrical, electrical/visual (lamp) differential type clogging indicator can be installed.The DFZ filter can be ordered with the bowl on the left or the right side for easy element change out.The DFZ filter is available in two mounting patterns to fit different hydraulic manifolds: ANSI/B93.7M-D03 / Cetop R35(was B93.7-D01) DF 30 ZANSI/B93.7M-D05/ Cetop R35(was V93.7-D02) includes fifth port for optional tank connection DF 60 Z or DF 110ZFilter does not contain a bypass valve. Only available with non bypass, high collapse elements required.
Specifications Bun
EA
Specifications Filter Type
Modular Stacking
Specifications Indication Type
A = No indicator, plugged port
Specifications Model Code Description
DFZ 30 QB XX A1.0/-1
Specifications Port Configuration
Stacking
Specifications Seals
Nitrile Rubber (NBR)
Specifications Size
30
Specifications Type
Pressure Filter
Specifications Weight
5.3 lb
Technical Specifications Burst Housing Pressure Rating
1260 bar | 18270 psi
Technical Specifications Construction Material For Bowl
Steel
Technical Specifications Construction Material For Head
Steel
Technical Specifications Element Collapse Pressure Rating
210 bar | 3045 psi
Technical Specifications Fatigue Housing Pressure Rating At 1 Mi
315 bar | 4568 psi
Technical Specifications Flow Capacity
6 gpm | 23 L/min
Technical Specifications Fluid Compatibility
Compatible with all hydrocarbon based, synthetic, water glycol, oil/water emulsion, and high water based fluids when the appropriate seals are selected.
Technical Specifications Maximum Allowable Housing Working Press
315 bar | 4568 psi
Technical Specifications Maximum Fluid Temperature
100 ºC | 212 ºF
Technical Specifications Minimum Fluid Temperature
-10 ºC | 14 ºF