High-Pressure Modular Stacking Filter - DFZ Series (4568 PSI)
High-Pressure Modular Stacking Filter - DFZ Series (4568 PSI)
SKU:HYD-398a79
High-Pressure Modular Stacking Filter for up to 4568 PSI, with 5 µm filter rating, pop-up clogging indicator, and broad fluid compatibility. Ideal for hydraulic and lube systems in diverse applications.
Regular price
$189.99
Regular price
Sale price
$189.99
Unit price
per
Delivery via Maden
Expect your order to arrive on time.
Secure Payments
All orders are processed through a secure, PCI-compliant checkout.





The High-Pressure Modular Stacking Filter from the DFZ Series is a top-of-the-line solution for hydraulic and lube systems operating at pressures of up to 4568 PSI. This pressure filter boasts a durable steel construction, a flow capacity of 6 gpm, and a 5 µm filter rating, ensuring optimal performance in high-pressure applications. Designed with a manual reset pop-up indicator, it alerts users of clogging for timely maintenance. With a temperature range from -10°C to 100°C, this filter is compatible with various fluids including hydrocarbon-based, synthetic, water glycol, and oil/water emulsions. Its versatile mounting patterns and port configurations make it suitable for agricultural, automotive, construction, industrial, and railway applications.
Product Specifications
Application 0
AgriculturalAutomotiveConstructionIndustrialPower RailwaysGenerationSteel / HeavyIndustry
Dimensions Diameter D1
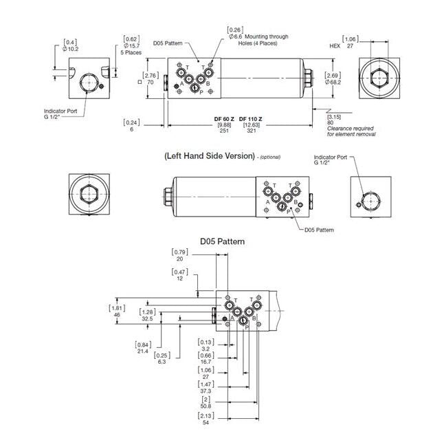
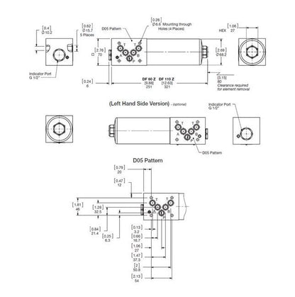
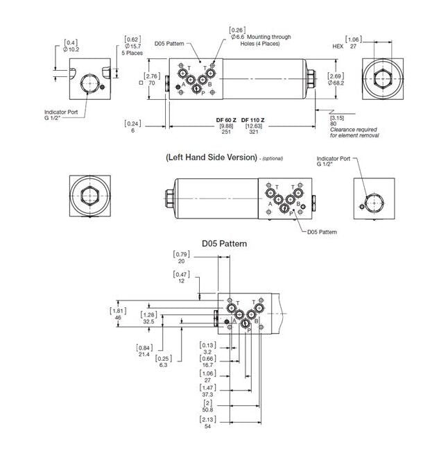
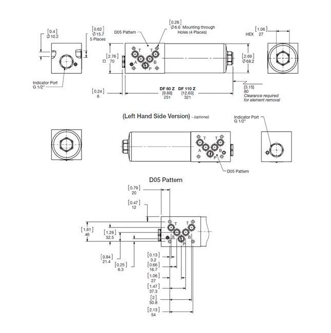
1.81 in | 46 mm
Dimensions Dimension B1
1.89 in | 48 mm
Dimensions Dimension H1
8.66 in | 220 mm
Features 0
A visual (pop-up), electrical, electrical/visual (lamp) differential type clogging indicator can be installed.The DFZ filter can be ordered with the bowl on the left or the right side for easy element change out.The DFZ filter is available in two mounting patterns to fit different hydraulic manifolds: ANSI/B93.7M-D03 / Cetop R35(was B93.7-D01) DF 30 ZANSI/B93.7M-D05/ Cetop R35(was V93.7-D02) includes fifth port for optional tank connection DF 60 Z or DF 110ZFilter does not contain a bypass valve. Only available with non bypass, high collapse elements required.
Specifications Bun
EA
Specifications Division
HYDRAULIC AND LUBE FILTERS
Specifications Filter Type
Modular Stacking
Specifications Indication Type
BM = Pop-up indicator (manual reset)
Specifications Model Code Description
DFZBH/HC30QB5BM1.0/V
Specifications Port Configuration
Stacking
Specifications Product
FILTERS-HIGH PRESSURE (>3000PSI)
Specifications Product Group Family
FILTERS-HIGH PRESSURE (ò3000 PSI)
Specifications Seals
Fluorocarbon Elastomer (FKM)
Specifications Size
30
Specifications Type
Pressure Filter
Specifications Weight
5.3 lb
Technical Specifications Burst Housing Pressure Rating
1260 bar | 18270 psi
Technical Specifications Construction Material For Bowl
Steel
Technical Specifications Construction Material For Head
Steel
Technical Specifications Element Collapse Pressure Rating
210 bar | 3045 psi
Technical Specifications Fatigue Housing Pressure Rating At 1 Mi
315 bar | 4568 psi
Technical Specifications Filter Rating
5 µm
Technical Specifications Flow Capacity
6 gpm | 23 L/min
Technical Specifications Fluid Compatibility
Compatible with all hydrocarbon based, synthetic, water glycol, oil/water emulsion, and high water based fluids when the appropriate seals are selected.
Technical Specifications Maximum Allowable Housing Working Press
315 bar | 4568 psi
Technical Specifications Maximum Fluid Temperature
100 ºC | 212 ºF
Technical Specifications Minimum Fluid Temperature
-10 ºC | 14 ºF