High Pressure Modular Stacking Filter DFZ Series
High Pressure Modular Stacking Filter DFZ Series
SKU:HYD-b9d556
Ensure optimal filtration in high-pressure hydraulic and lube systems with the High Pressure Modular Stacking Filter DFZ Series.
Regular price
$349.99
Regular price
Sale price
$349.99
Unit price
per
Delivery via Maden
Expect your order to arrive on time.
Secure Payments
All orders are processed through a secure, PCI-compliant checkout.




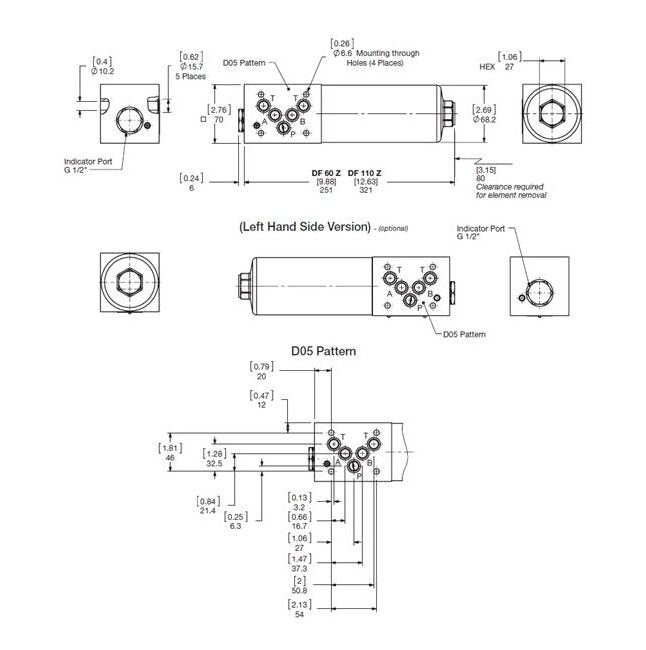
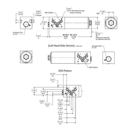
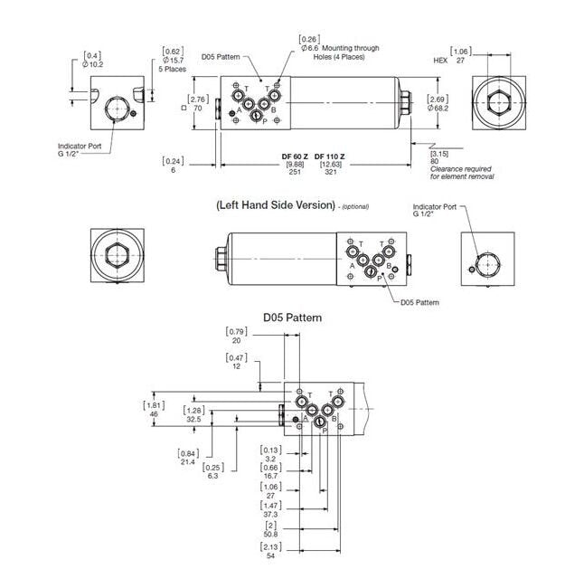
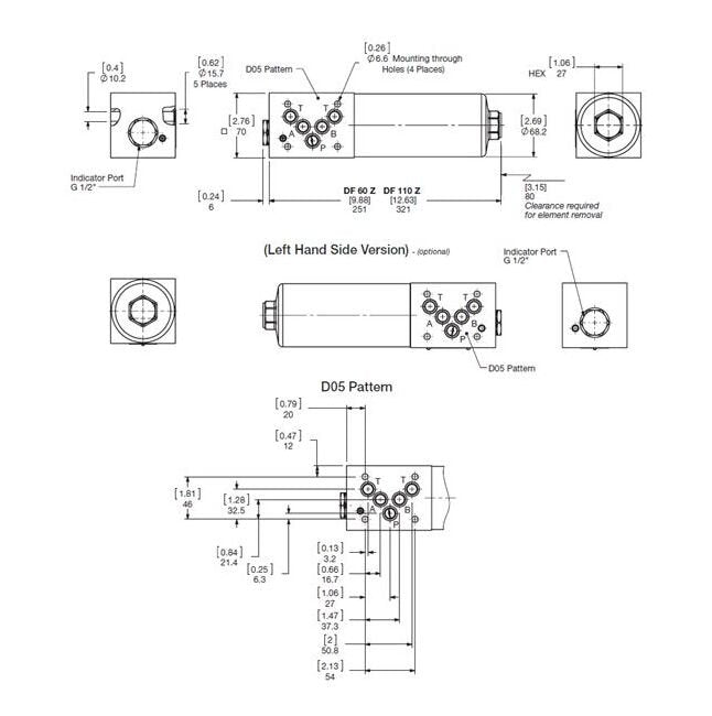
The High Pressure Modular Stacking Filter DFZ Series is a top-of-the-line pressure filter designed for hydraulic and lube systems operating at pressures exceeding 3000 PSI. With a maximum allowable housing working pressure rating of 4568 PSI, this filter ensures efficient filtration with its 10 µm filter rating. Constructed from high-quality steel, it can withstand extreme fluid temperatures from -10ºC to 100ºC. The filter features a manual reset pop-up indicator for easy monitoring and maintenance. It is compatible with various fluids including hydrocarbon-based, synthetic, water glycol, and oil/water emulsion. Ideal for industrial, construction, and heavy machinery applications.
Product Specifications
Application 0
AgriculturalAutomotiveConstructionIndustrialPower RailwaysGenerationSteel / HeavyIndustry
Dimensions Diameter D1
1.81 in | 46 mm
Dimensions Dimension B1
1.89 in | 48 mm
Dimensions Dimension H1
9.88 in | 251 mm
Features 0
A visual (pop-up), electrical, electrical/visual (lamp) differential type clogging indicator can be installed.The DFZ filter can be ordered with the bowl on the left or the right side for easy element change out.The DFZ filter is available in two mounting patterns to fit different hydraulic manifolds: ANSI/B93.7M-D03 / Cetop R35(was B93.7-D01) DF 30 ZANSI/B93.7M-D05/ Cetop R35(was V93.7-D02) includes fifth port for optional tank connection DF 60 Z or DF 110ZFilter does not contain a bypass valve. Only available with non bypass, high collapse elements required.
Specifications Bun
EA
Specifications Division
HYDRAULIC AND LUBE FILTERS
Specifications Filter Type
Modular Stacking
Specifications Indication Type
BM = Pop-up indicator (manual reset)
Specifications Model Code Description
DFZBH/HC60QC10BM1.0/V
Specifications Port Configuration
Stacking
Specifications Product
FILTERS-HIGH PRESSURE (>3000PSI)
Specifications Product Group Family
FILTERS-HIGH PRESSURE (ò3000 PSI)
Specifications Seals
Fluorocarbon Elastomer (FKM)
Specifications Size
60
Specifications Type
Pressure Filter
Specifications Weight
13.1 lb
Technical Specifications Burst Housing Pressure Rating
1260 bar | 18270 psi
Technical Specifications Construction Material For Bowl
Steel
Technical Specifications Construction Material For Head
Steel
Technical Specifications Element Collapse Pressure Rating
210 bar | 3045 psi
Technical Specifications Fatigue Housing Pressure Rating At 1 Mi
315 bar | 4568 psi
Technical Specifications Filter Rating
10 µm
Technical Specifications Flow Capacity
10 gpm | 38 L/min
Technical Specifications Fluid Compatibility
Compatible with all hydrocarbon based, synthetic, water glycol, oil/water emulsion, and high water based fluids when the appropriate seals are selected.
Technical Specifications Maximum Allowable Housing Working Press
315 bar | 4568 psi
Technical Specifications Maximum Fluid Temperature
100 ºC | 212 ºF
Technical Specifications Minimum Fluid Temperature
-10 ºC | 14 ºF