High Pressure Twin Tower Desiccant Air Dryer - Nano D-Series4
High Pressure Twin Tower Desiccant Air Dryer - Nano D-Series4
SKU:SSP-919407
Reliable high-pressure desiccant air dryer for efficient air treatment in industrial settings.
Regular price
$2,899.99
Regular price
Sale price
$2,899.99
Unit price
per
Delivery via Maden
Expect your order to arrive on time.
Secure Payments
All orders are processed through a secure, PCI-compliant checkout.


The High Pressure Twin Tower Desiccant Air Dryer - Nano D-Series4 is a reliable and efficient solution for ensuring clean, dry air in industrial applications. With advanced components and precision controls, this dryer offers a cost-effective design that meets 21st-century standards. Featuring a high-quality molecular sieve desiccant bed, along with essential filters and high-pressure stainless steel fittings, this dryer ensures consistent dew point performance and long media life. The advanced C1 controls provide monitoring and automation, while optional accessories like the Energy Saver dew point demand control system enhance flexibility and energy efficiency. Customizable to meet specific needs, this dryer is a dependable choice for quality air treatment.
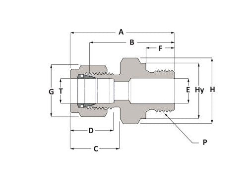
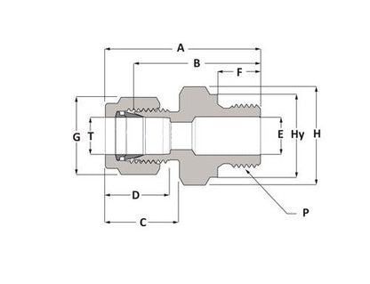
Product Specifications
Dimensions A
47.5 mm
Dimensions B Body
38.9 mm
Dimensions C
22 mm
Dimensions D
24.4 mm
Dimensions E
11.9 mm
Dimensions F
14.2 mm
Dimensions G
25 mm
Dimensions H
27 mm
Dimensions Hy
26 mm
Dimensions P
1/2 in
Dimensions T
16 mm
Specifications Body Material
Brass
Specifications Brand Series
Duolok
Specifications Connection 1 Size
16 mm
Specifications Connection 1 Type
Tube Fitting
Specifications Connection 2 Size
1/2 in
Specifications Connection 2 Type
Male BSPP
Specifications End Connections
TF x Male BSPP
Specifications Handle Color
0
Specifications Handle Type
0
Specifications Production Category
4
Specifications Shape
Straight
Category 6
Duolok® Tube Fittings