Industrial Grade CB Mounting Components - Drum Hubs
Industrial Grade CB Mounting Components - Drum Hubs
SKU:CLU-110d3f
Reliable, high-performance CB Mounting Components for industrial clutch or brake service.
Regular price
$499.99
Regular price
Sale price
$499.99
Unit price
per
Delivery via Maden
Expect your order to arrive on time.
Secure Payments
All orders are processed through a secure, PCI-compliant checkout.

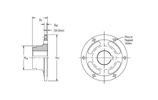
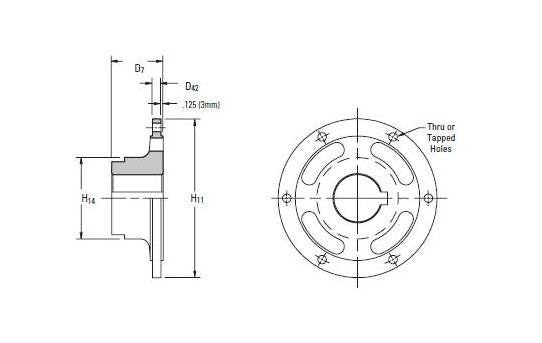
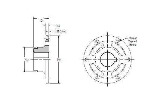
The Industrial Grade CB Mounting Components Drum Hubs, featuring the size 28CB525 and a durable design, offer reliable clutch or brake service for high-speed, cyclic operations. This product excels in coupling and power transmission, making it ideal for industrial applications requiring precision and durability.
Product Specifications
Specifications Dimension D42
0.75 in | 19 mm
Specifications Dimension D7
6.50 in | 165 mm
Specifications Dimension H11
25.00 in | 635 mm
Specifications Dimension H14
9.00 in | 229 mm
Specifications Inertia
61.00 lb·ft² | 2.56 kg·m²
Specifications Maximum Bore
5.50 in | 140 mm
Specifications Minimum Bore
2.75 in | 70 mm
Specifications Size
28CB525
Specifications Type
Tapped Holes
Specifications Weight
175 lb | 79 kg