Industrial Grade CB Mounting Components - Drum Hubs, Size 22CB500
Industrial Grade CB Mounting Components - Drum Hubs, Size 22CB500
SKU:CLU-9bd04a
Experience unrivaled clutch and brake performance with our Industrial Grade CB Drum Hubs - Size 22CB500.
Regular price
$1,249.99
Regular price
Sale price
$1,249.99
Unit price
per
Delivery via Maden
Expect your order to arrive on time.
Secure Payments
All orders are processed through a secure, PCI-compliant checkout.

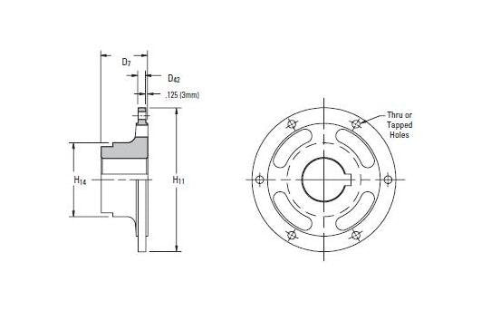
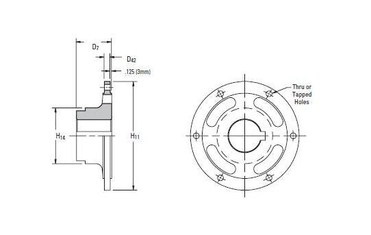
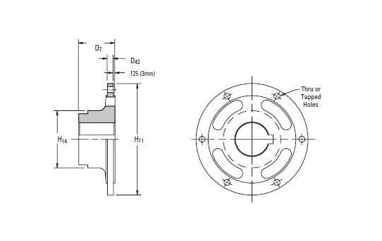
The Industrial Grade CB Mounting Components - Drum Hubs in Size 22CB500 are specifically engineered for reliable clutch and brake performance in demanding industrial settings. Suitable for high-speed and cyclic operations, these components excel in coupling and power transmission applications. With a weight of 131 lb | 59 kg and precise dimensions, such as a Minimum Bore of 2.75 in | 70 mm and a Maximum Bore of 5.25 in | 133 mm, these hubs offer exceptional durability and performance.
Product Specifications
Specifications Dimension D42
0.75 in | 19 mm
Specifications Dimension D7
6.50 in | 165 mm
Specifications Dimension H11
20.00 in | 508 mm
Specifications Dimension H14
8.50 in | 216 mm
Specifications Inertia
29.00 lb·ft² | 1.22 kg·m²
Specifications Maximum Bore
5.25 in | 133 mm
Specifications Minimum Bore
2.75 in | 70 mm
Specifications Size
22CB500
Specifications Type
Tapped Holes
Specifications Weight
131 lb | 59 kg