Industrial Low Pressure Alarm System with Dynamic Operating Pressure
Industrial Low Pressure Alarm System with Dynamic Operating Pressure
SKU:SSP-0fc35e
Stay safe with our Industrial Low Pressure Alarm System. Alerts below set pressure levels with 119dB alarm. Compliance-ready.
Regular price
$1,150.00
Regular price
Sale price
$1,150.00
Unit price
per
Delivery via Maden
Expect your order to arrive on time.
Secure Payments
All orders are processed through a secure, PCI-compliant checkout.


The Industrial Low Pressure Alarm System is a crucial component for monitoring air pressure in commercial, industrial, and institutional environments. Designed to alert users when the air pressure drops below a set level, this system ensures safety and operational efficiency. With a 119dB(A) alarm powered by a reliable 9-volt transistor battery, it guarantees immediate notification until pressure is restored. Featuring a standard pressure set alarm point of 83.75 and 65 PSIG (±5), along with durable construction and precise calibration, this system offers peace of mind and compliance with stringent institutional procurement standards.
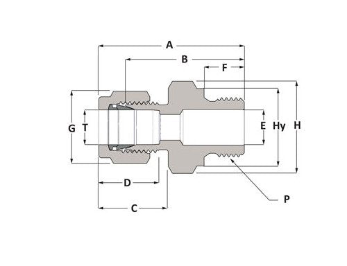
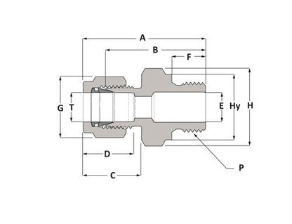
Product Specifications
Dimensions A
54.9 mm
Dimensions B Body
45.2 mm
Dimensions C
22 mm
Dimensions D
26 mm
Dimensions E
18.3 mm
Dimensions F
18.3 mm
Dimensions G
32 mm
Dimensions H
41 mm
Dimensions Hy
39 mm
Dimensions P
1 in
Dimensions T
22 mm
Specifications Body Material
Alloy 400
Specifications Brand Series
Duolok
Specifications Connection 1 Size
22 mm
Specifications Connection 1 Type
Tube Fitting
Specifications Connection 2 Size
1 in
Specifications Connection 2 Type
Male BSPP
Specifications End Connections
TF x Male BSPP
Specifications Handle Color
0
Specifications Handle Type
0
Specifications Production Category
4
Specifications Shape
Straight
Category 6
Duolok® Tube Fittings