KR/NUKR Series Cam Followers
KR/NUKR Series Cam Followers
SKU:CAM-c4e62e
N/A
Regular price
$49.99
Regular price
Sale price
$49.99
Unit price
per
Delivery via Maden
Expect your order to arrive on time.
Secure Payments
All orders are processed through a secure, PCI-compliant checkout.


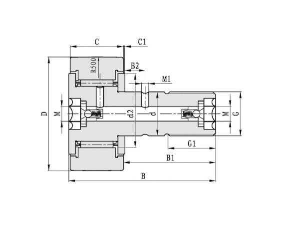
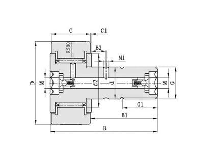
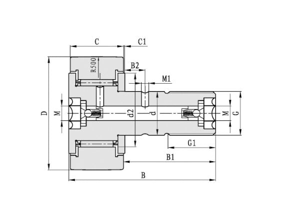
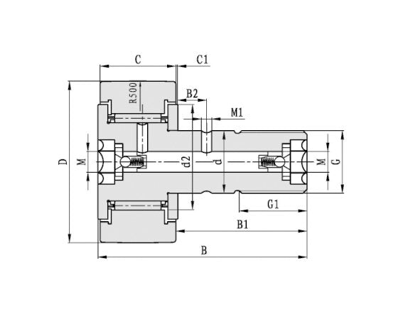
Product Specifications
Basic Load Rating Dynamic Cr Basic Load Rating
35000 kN
Basic Load Rating Static Cor Basic Load Rating
41000 kN
Bearing Designation Bearing Designation Dimension B3
22 mm
Bearing Designation Bearing Designation Dimension E
1 mm
Bearing Designation Bore Diameter
28 mm
Boundary Dimensions Boundary Dimension C1
0.8 mm
Boundary Dimensions Boundary Dimension D2
44 mm
Boundary Dimensions Boundary Dimension G
M24X1.5 mm
Boundary Dimensions Boundary Dimension G1
25 mm
Boundary Dimensions Boundary Dimension M
8 mm
Boundary Dimensions Boundary Dimension M1
4 mm
Inner Ring Bore Diameter
24 mm
Inner Ring Overall Bearing Width
80 mm
Outer Ring Dimension C
29 mm
Outer Ring Outside Diameter
72 mm
Specifications Dimension B1
49.5 mm
Specifications Dimension B2
11 mm
Specifications Dynamic Cr Force
45000 N
Specifications For Perm
51000
Specifications Fr Perm
23500
Specifications Grease Limiting Speed
1020 rpm
Specifications Mass
1038.2 g
Specifications Nut Tightening Torque Ma
205 N·m
Specifications Static Cor Force
63000 N
Specifications Type
With Eccentric Collar
Thrust Ring Outer Diameter Od
72 mm