LG-1 Series Ultra-Miniature Pressure Regulator
LG-1 Series Ultra-Miniature Pressure Regulator
SKU:GOR-cd1585
Achieve precision pressure control in compact spaces with the LG-1 Series Ultra-Miniature Pressure Regulator.
Regular price
$249.99
Regular price
Sale price
$249.99
Unit price
per
Delivery via Maden
Expect your order to arrive on time.
Secure Payments
All orders are processed through a secure, PCI-compliant checkout.


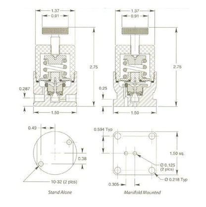
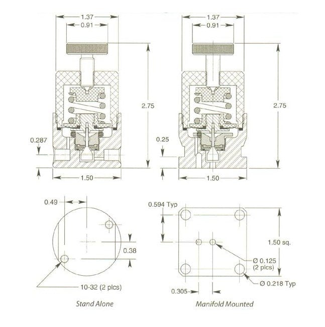
The LG-1 Series Pressure Regulator offers exceptional precision and versatility in a compact design. Ideal for rapid purge cycles and diverse services, it features a low internal volume, 316L stainless steel construction, electropolished body, and bubble-tight shutoff. With an accuracy as low as 0.2% during supply pressure fluctuations, this regulator excels in applications requiring optimum pressure control in limited spaces.
Product Specifications
Specifications Body Material
Aluminum
Specifications Cap Assembly
T-handle
Specifications Diaphragm Facing Material
Tefzel® ring
Specifications Diaphragm O Ring Material
Teflon®
Specifications Diaphragm Type
Standard, Nylon Diaphragm Slip Ring (170° F Max. Temp.)
Specifications Flow Coefficient Cv
0.06
Specifications Max Operating Pressure
3600 psig
Specifications Operating Temperature
-40 to 66 ºC | -40 to 150 ºF
Specifications Outlet Range
0 to 250 psig
Specifications Port Configuration
Standard
Specifications Port Type
1/8" FNPT (all ports)
Specifications Seat Material
High density Teflon®
Specifications Surface Finish Of Diaphragm Cavity
< 25 Ra, Standard